EasyManua.ls Logo

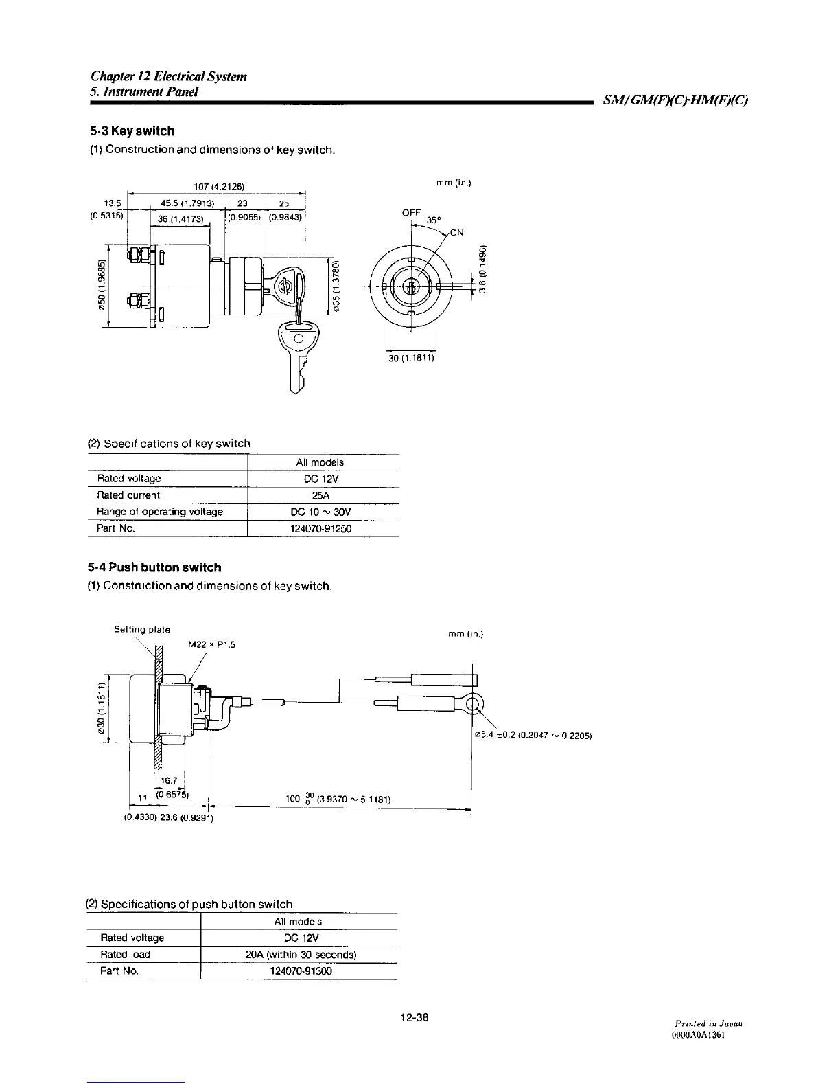
Yanmar 2GM20C - Key Switch; Push Button Switch

Yanmar 2GM20C
463 pages
Print Icon
To Next Page IconTo Next Page
To Next Page IconTo Next Page
To Previous Page IconTo Previous Page
To Previous Page IconTo Previous Page
Loading...

Table of Contents

Related product manuals