EasyManua.ls Logo

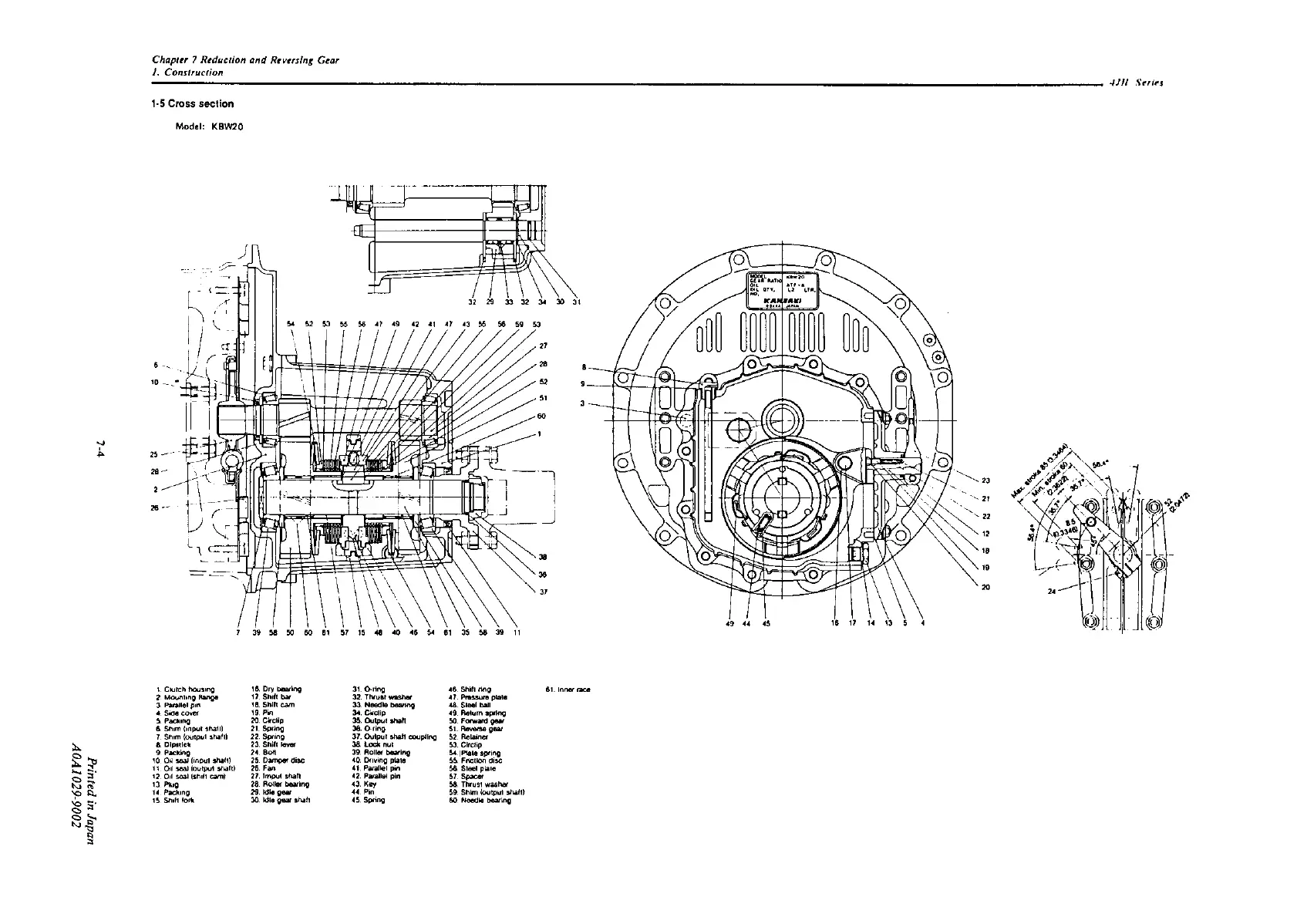
Yanmar 4JH2E - Reduction and Reverse Gear Cross Section (KBW20)

Yanmar 4JH2E
406 pages
Print Icon
To Next Page IconTo Next Page
To Next Page IconTo Next Page
To Previous Page IconTo Previous Page
To Previous Page IconTo Previous Page
Loading...

Table of Contents

Related product manuals