EasyManua.ls Logo

Yard Machines 550 - Section 16: Illustrated Parts List

Yard Machines 550
20 pages
Print Icon
To Next Page IconTo Next Page
To Next Page IconTo Next Page
To Previous Page IconTo Previous Page
To Previous Page IconTo Previous Page
Loading...
18
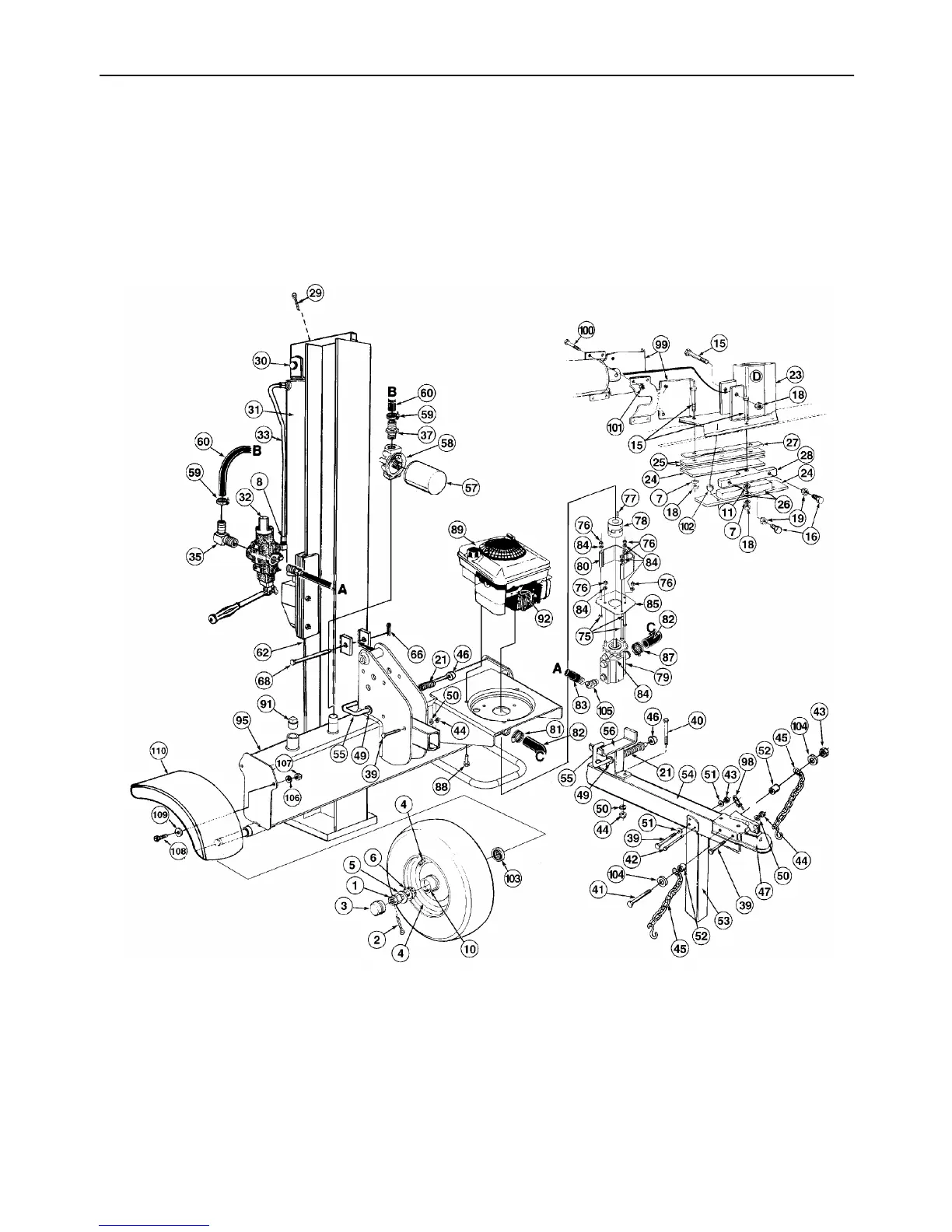
SECTION 16: ILLUSTRATED PARTS LIST