EasyManua.ls Logo

Yard-Man 203 - Page 38

Yard-Man 203
40 pages
Print Icon
To Next Page IconTo Next Page
To Next Page IconTo Next Page
To Previous Page IconTo Previous Page
To Previous Page IconTo Previous Page
Loading...
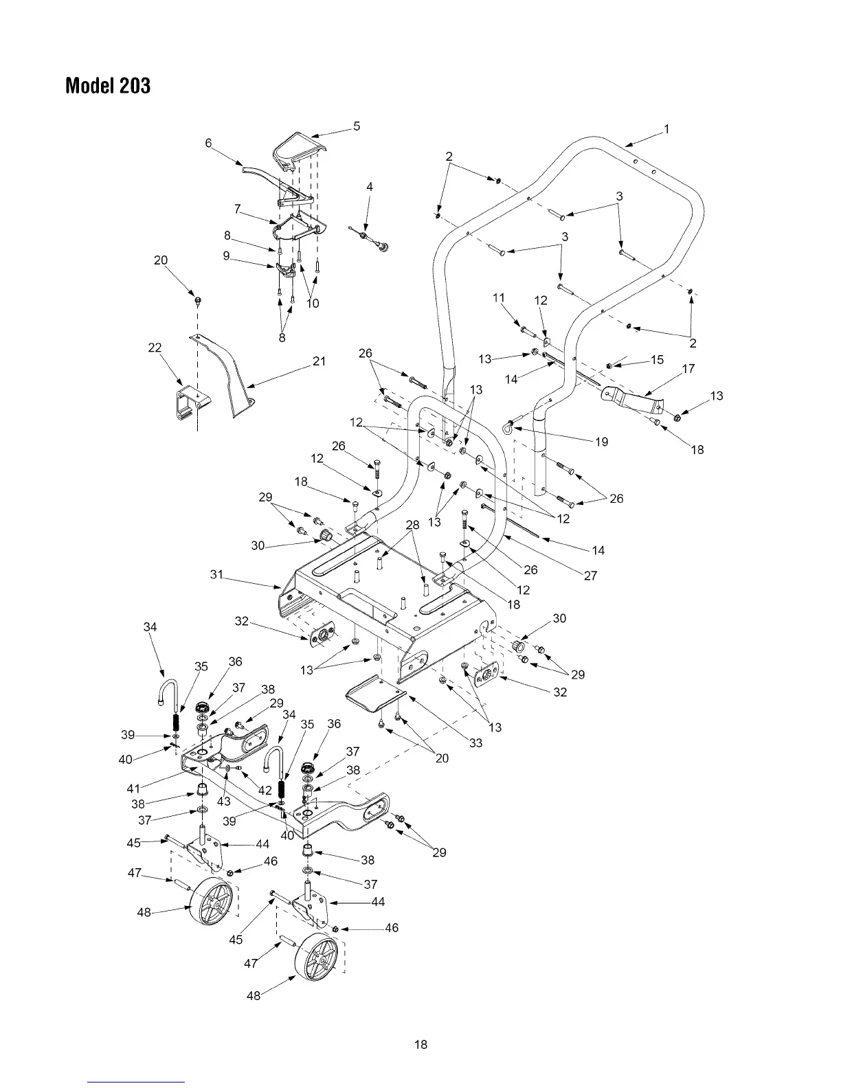
Model203
22
20
6
8
26
26
12
18
29
28 13
2
13
3
\
11 12 _
\
2
26
'29
32
18

Related product manuals