EasyManua.ls Logo

Yard-Man 573 - Section 10: Parts List for Model 573

Yard-Man 573
16 pages
Print Icon
To Next Page IconTo Next Page
To Next Page IconTo Next Page
To Previous Page IconTo Previous Page
To Previous Page IconTo Previous Page
Loading...
14
26
20
21
26
37
39
38
27
19
24
23
25
41
42
43
44
36
34
33
32
35
30
45
16
17
2627
21
50
22
47
12
5
18
14
23
28
29
48
19
19
49
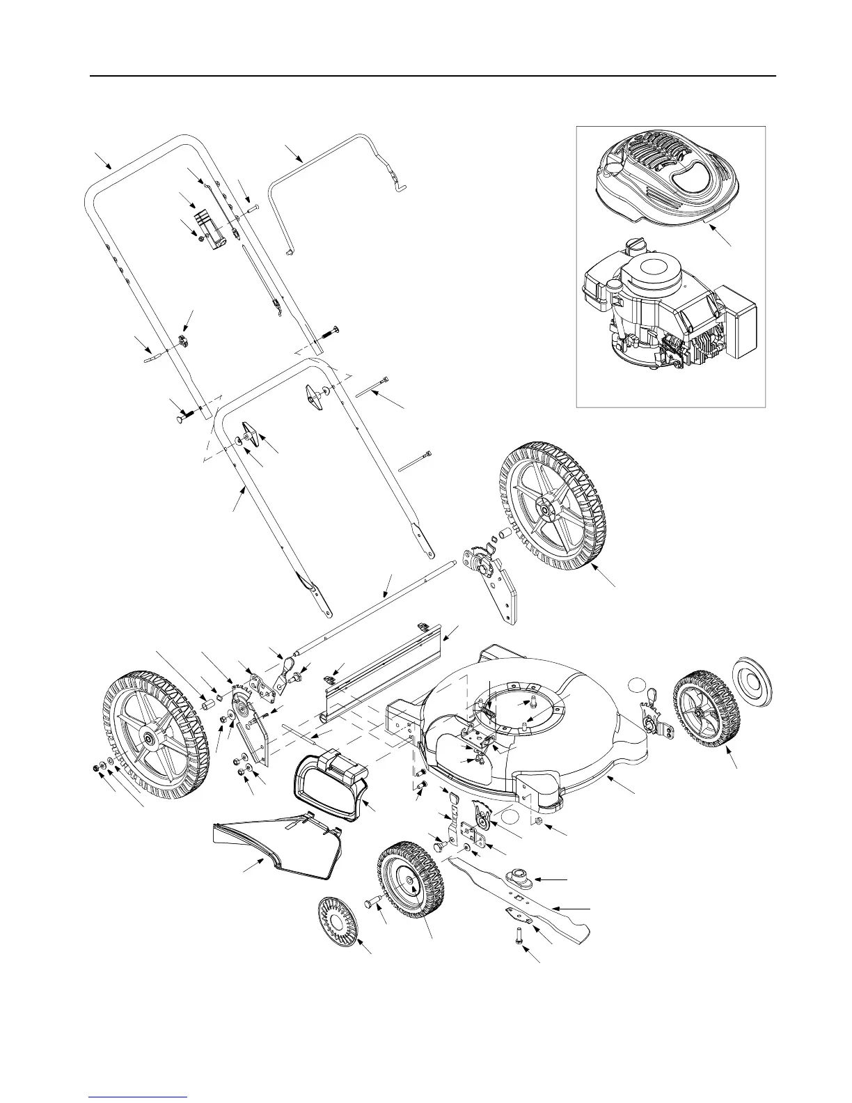
SECTION 10: PARTS LIST FOR MODEL 573
For engine parts break-down,
refer to the engine manual
1
6
13
4
3
2
15
7
10
8
11
46
9
52
53
31
51
31

Related product manuals