EasyManua.ls Logo

Yard-Man YM75 - Parts List

Yard-Man YM75
70 pages
Print Icon
To Next Page IconTo Next Page
To Next Page IconTo Next Page
To Previous Page IconTo Previous Page
To Previous Page IconTo Previous Page
Loading...
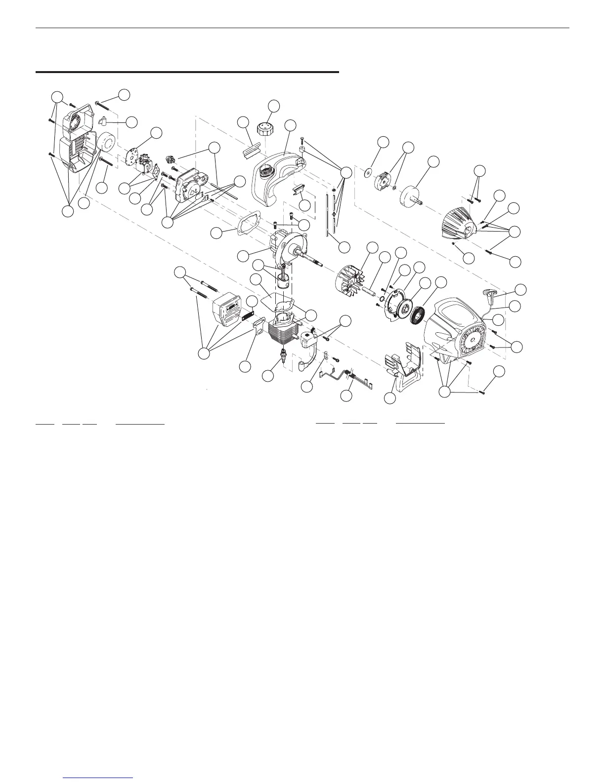
E24
PARTS LIST
Item Part No. Description
31 753-04335 Starter Housing Assembly
(includes 23-28 & 32)
32 791-181862 Housing Screw
33 791-182368 Clutch Washer
34 791-182369 Clutch Rotor Assembly
35 791-153592 Clutch Drum Assembly
36 753-1204 Clutch Cover Assembly
(includes 37-40)
37 791-181345 Cover Screw
38 791-182519 Anti-Rotation Screw
39 753-04003 Clamping Screw
40 791-180217 Clamping Nut
41 791-182798 Wire Leads and Sleeve
42 791-611063 Ground Tab
43 753-04336 Module Assembly
44 791-610311B Spark Plug
45 791-182066 Muffler Assembly (includes 46-48)
46 791-182747 Spark Arrestor Screen
47 753-04159 Exhaust Gasket
48 791-147575 Muffler Mounting Bolt Assembly
49 753-04323 Cylinder Assembly (includes 51)
50 753-1207 Piston and Rod Assembly
51 753-1197 Cylinder Gasket
52 791-182723 Cylinder Bolt
* 791-180090 O.E.M. Carburetor Repair Kit (Zama)
* 791-180091 Gasket Diaphragm Repair Kit (Zama)
* 753-1209 Piston Ring Set
* 753-04334 Short Block Assembly
(includes 8, 12, 13, 44, 47-52)
* 791-181599 Clutch Springs (Qty. 2)
* Items Not Shown
40
1
2
3
6
8
10
3
4
5
9
11
12
13
50
51
19
54
17
14
15
16
18
33
34
35
21
22
29
23
24
27
25
40
31
20
42
43
49
44
47
45
48
7
41
38
37
36
46
Item
Part No. Description
1 753-1192 Air Cleaner/Muffler Cover Assembly
(includes 2 & 37)
2 791-180350B Air Cleaner Filter
3 791-180351 Carburetor Mounting Screws
4 753-1193 Choke Extension
5 753-1194 Choke Plate
6 753-04338 Carburetor Assembly (includes 7 & 18)
7 791-610675 Carburetor Gasket
8 791-181860 Carb Mount Screw
9 791-181801 Primer and Hose Assembly
10 753-1196 Carb Mount Assembly (includes 8 & 11)
11 791-684451 Reed Assembly
12 753-1208 Carburetor Mount Gasket
13 753-04332 Crank Case Service Assembly
(includes 8)
14 791-612134 Rear Mounting Pad
15 753-04307 Fuel Tank Assembly (includes 16-18)
16 791-182612 Fuel Cap Assembly
17 791-182352 Fuel Return Line
18 753-04233 Fuel Line Assembly
19 791-145308 Front Mounting Pad
20 791-182064 Shroud Extension and Stand
21 791-182736 Flywheel Assembly
22 791-181065 Spacer
23 753-1199 Recoil Pulley Assembly
24 753-04286 Recoil Spring
25 753-1200 Rope Guide
26 791-181247 Pulley Retainer
27 791-181079 Pull Handle
28 791-613103 Rope
29 753-1201 Pressure Plate Assembly
30 7531202 Plate Screw
30
26
28
37
39
32
37
ENGINE PARTS - MODEL YM75
2-CYCLE GAS TRIMMER
PPN 41ADY75C401

Table of Contents

Related product manuals