EasyManua.ls Logo

YASKAWA Varispeed-616G3 - Connection Diagrams: VS Operator; Wiring with VS Operator Model JVOP-96

YASKAWA Varispeed-616G3
46 pages
Print Icon
To Next Page IconTo Next Page
To Next Page IconTo Next Page
To Previous Page IconTo Previous Page
To Previous Page IconTo Previous Page
Loading...
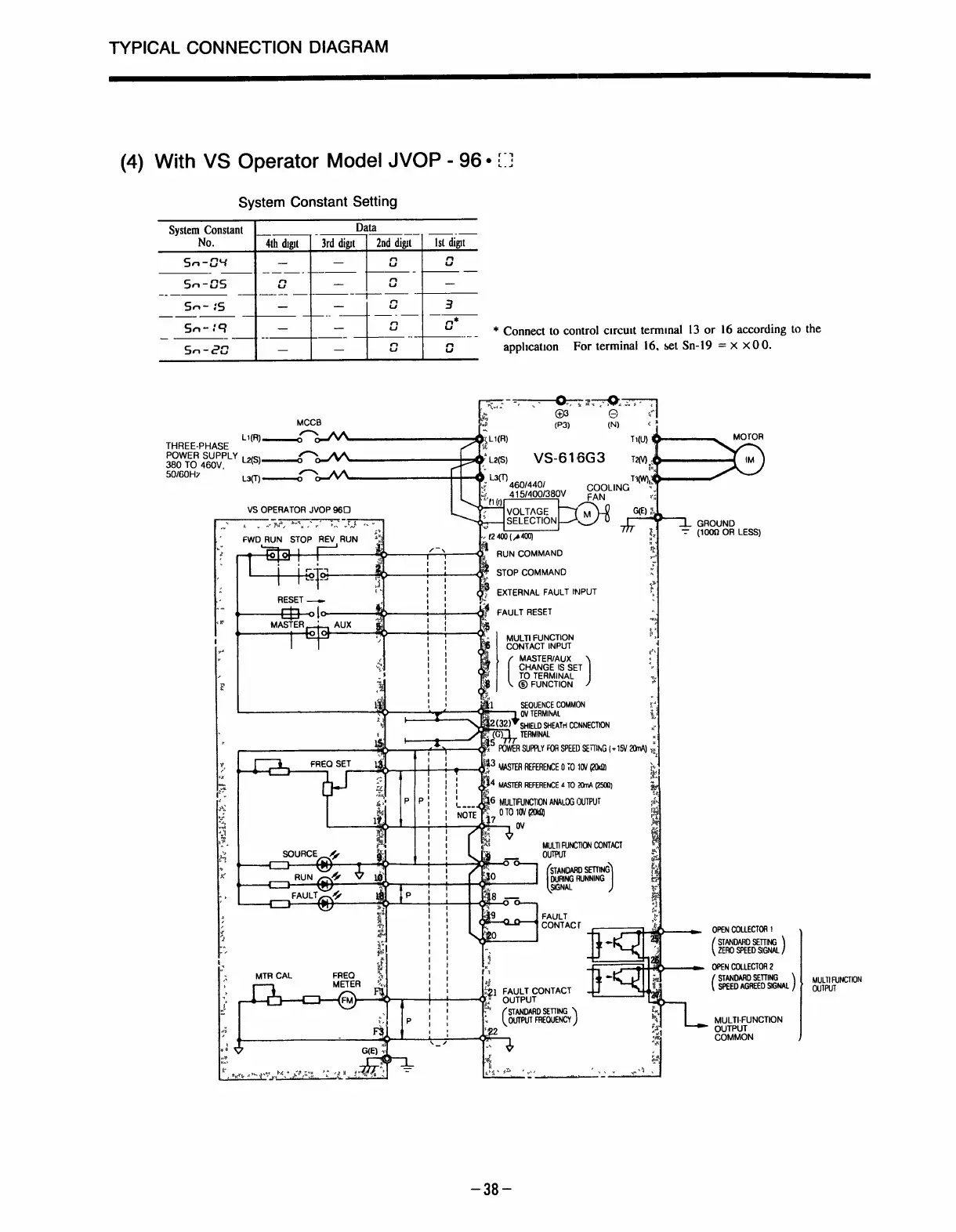
TYPICAL
CONNECTION
DIAGRAM
(4)
With
VS
Operator
Model
JVOP
-
96
. ~
:
;
System
Constant
Setting
MCCB
I-,
~
THREE-PHASE
L1(R)
POWER
SUPPLY
-
L2(S)-
380
TO
460V
,
VS
OPERATOR
JVOP
960
MTRCAL
*
Connect
to
control
circuit
terminal
13 or 16 according
to
the
application
For
terminal
16, set
Sn-19
=
xx00
.
s1_1(R)
,
12
400
(,A400)
RUN
COMMAND
STOP
COMMAND
EXTERNAL
FAULT
INPUT
FAULT
RESET
MULTIFUNCTION
CONTACT
INPUT
MASTER/AUX
CHANGE
IS
SET
TO
TERMINAL
Q
FUNCTION
OV
TERMINAL
SHIELD
SHEATH CCNNECTION
,
TERMINAL
POWER
SUPPLY
FOR
SPEED
SETTING
I
*
15V
2W)
;
3
MASTER
REFERENCE
0 70 IOV
(1M)
MULTI
FUNCTION
CONTACT
OUTPUT
FAULT
CONTACT
MOTOR
MULTI
FUNCTION
OUTPUT
for more: efesotomasyon - Yaskawa drive

Related product manuals