EasyManua.ls Logo

Yazaki CH-K40 - CONTROL SYSTEM OVERVIEW; Control Panel and Operation Logic

Default Icon
16 pages
Print Icon
To Next Page IconTo Next Page
To Next Page IconTo Next Page
To Previous Page IconTo Previous Page
To Previous Page IconTo Previous Page
Loading...
4
CONTROLS
GENERAL INFORMATION
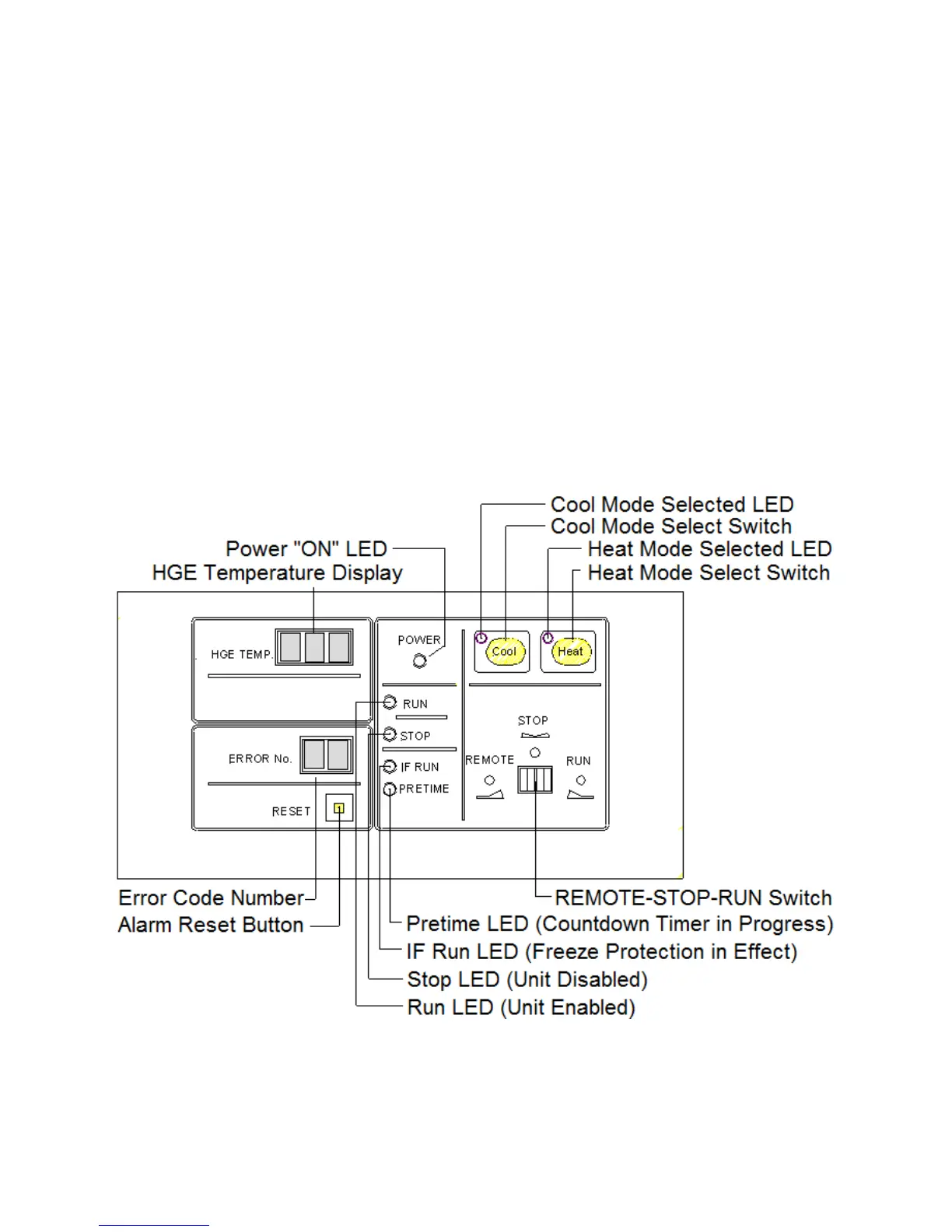
A control panel (Figure 3) is built into each
absorption chiller-heater and is located on
the control box, behind the hinged, lower
front-left panel. After inspecting the control
panel and/or making changes to the mode of
operation, make sure that the front panel
closed securely to prevent rain from entering
the cabinet as well as unauthorized
tampering with the controls.
The chiller-heater may also be supervised
and controlled by external control systems to
a limited degree when the necessary
interconnections are installed. Additional
controls and interlocks can be explained by
your ASP.
Once COOLING or HEATING operation is
selected and the unit is started, the chiller-
heater will function automatically and remain
in operation as long as there is a demand for
chilled or hot water.
Be aware that the STOP lamp is lit
anytime the unit is Disabled. The RUN lamp
is lit anytime the unit is Enabled, whether or
not the unit is actively running to control the
chilled or hot water temperature.
Figure 3 CONTROL PANEL

Related product manuals