EasyManua.ls Logo

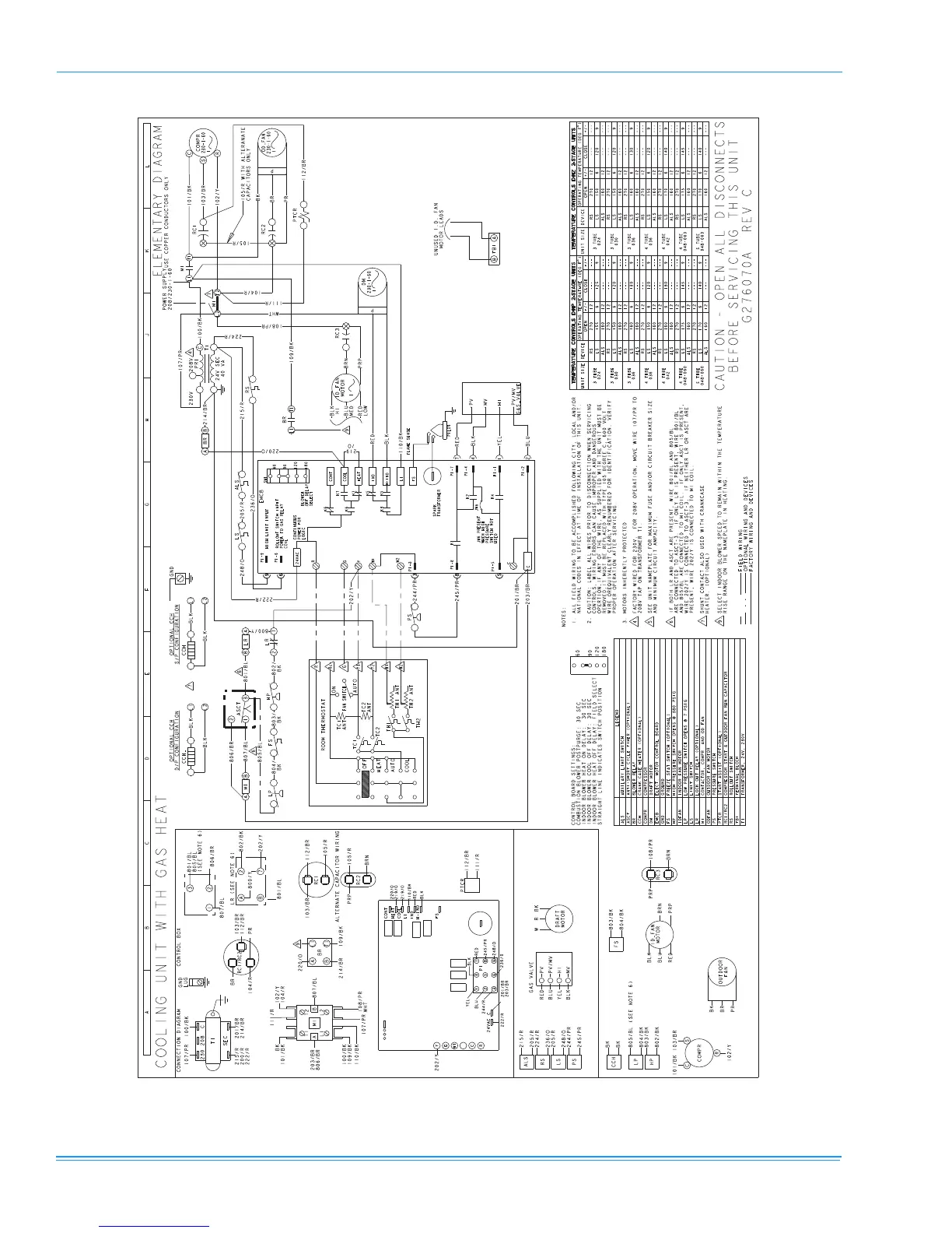
York Affinity DNP030 - Typical Wiring Diagram D*Np 024 Two Stage Gas Heat (208;230-1-60 Power Supply)

York Affinity DNP030
40 pages
Print Icon
To Next Page IconTo Next Page
To Next Page IconTo Next Page
To Previous Page IconTo Previous Page
To Previous Page IconTo Previous Page
Loading...
280241-YIM-D-0909
24 Johnson Controls Unitary Products
FIGURE 19 - TYPICAL WIRING DIAGRAM D*NP 024 TWO STAGE GAS HEAT (208/230-1-60 POWER
SUPPLY)

Table of Contents

Related product manuals