EasyManua.ls Logo

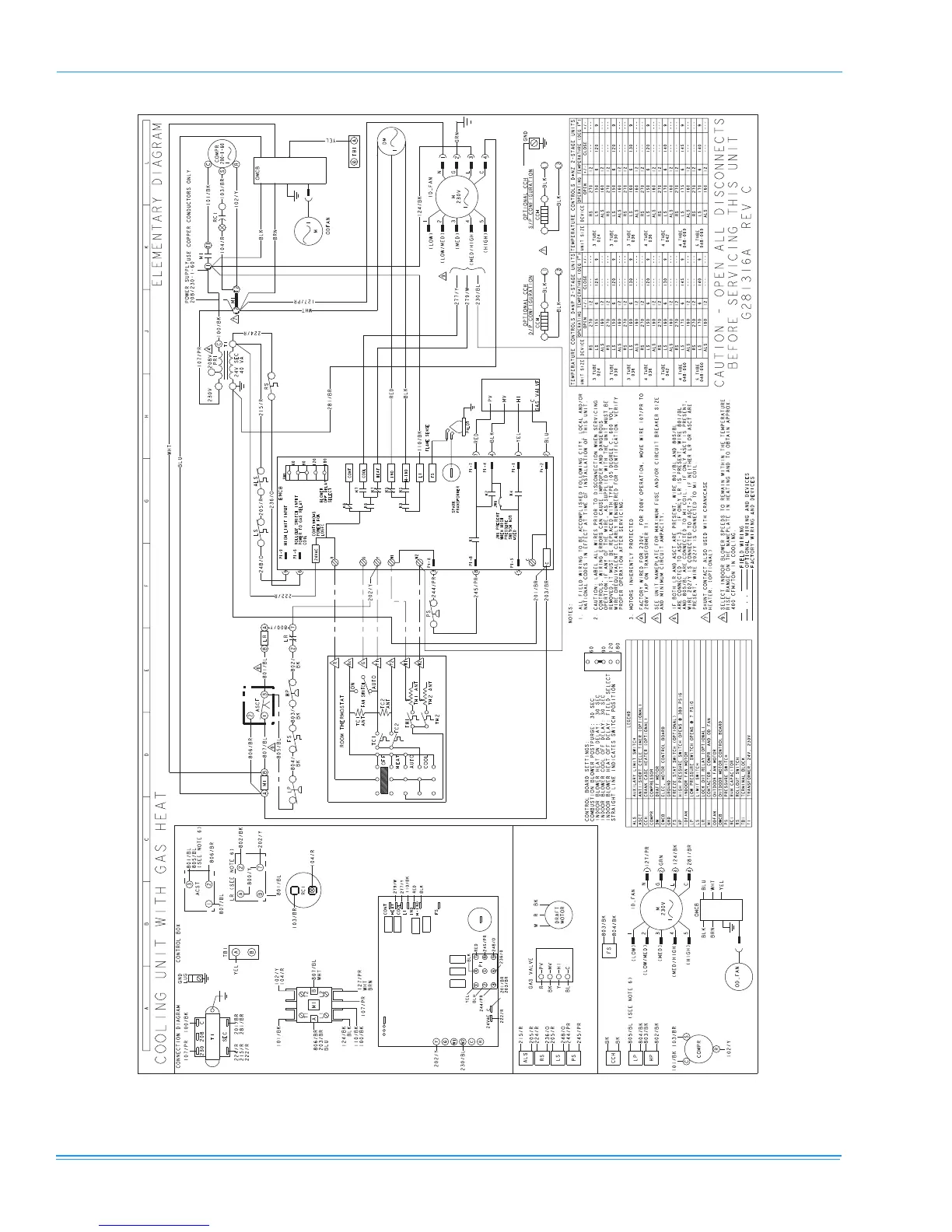
York Affinity DNP060 - Typical Wiring Diagram D*Np 060 Two Stage (208;230-1-60 Power Supply)

York Affinity DNP060
40 pages
Print Icon
To Next Page IconTo Next Page
To Next Page IconTo Next Page
To Previous Page IconTo Previous Page
To Previous Page IconTo Previous Page
Loading...
280241-YIM-D-0909
28 Johnson Controls Unitary Products
FIGURE 23 - TYPICAL WIRING DIAGRAM D*NP 060 TWO STAGE (208/230-1-60 POWER SUPPLY)

Table of Contents

Related product manuals