EasyManua.ls Logo

York Affinity DNP060 - Page 34

York Affinity DNP060
40 pages
Print Icon
To Next Page IconTo Next Page
To Next Page IconTo Next Page
To Previous Page IconTo Previous Page
To Previous Page IconTo Previous Page
Loading...
280241-YIM-D-0909
34 Johnson Controls Unitary Products
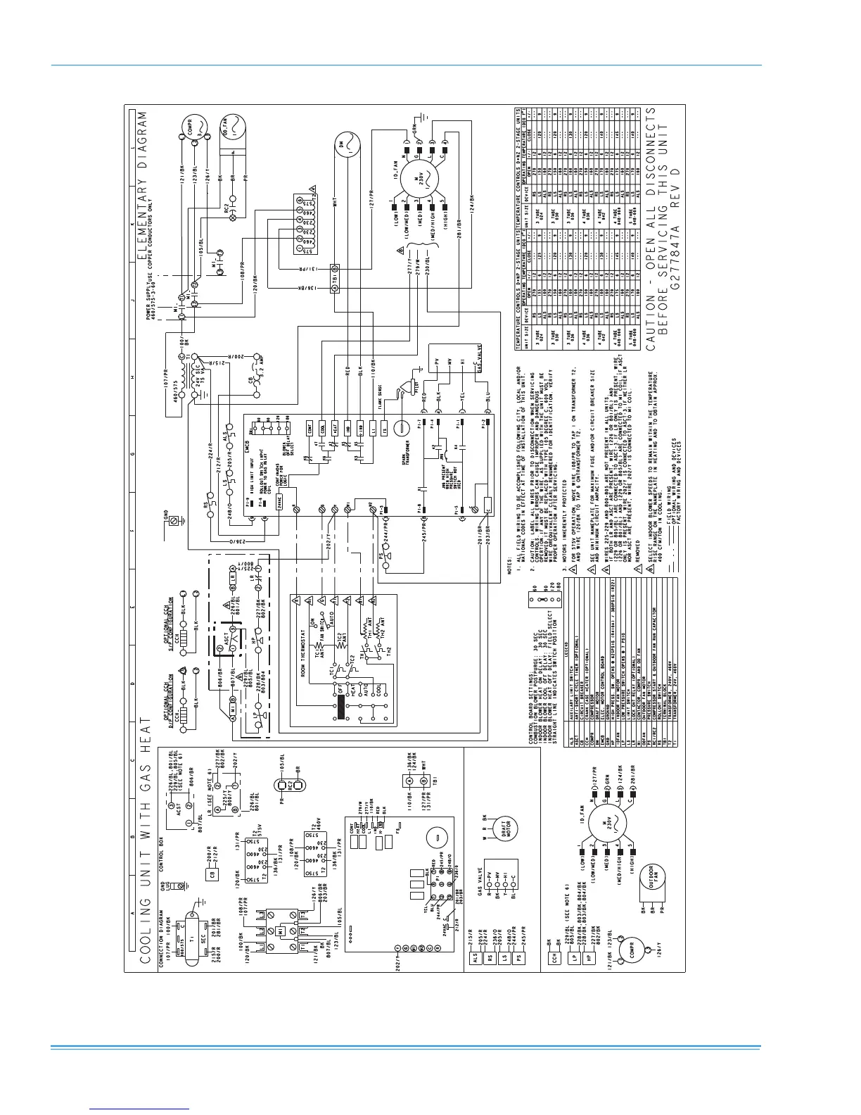
FIGURE 29 - TYPICAL WIRING DIAGRAM D*NP 030-048 TWO STAGE GAS HEAT (460/575-3-60 POWER
SUPPLY)

Table of Contents

Related product manuals