EasyManua.ls Logo

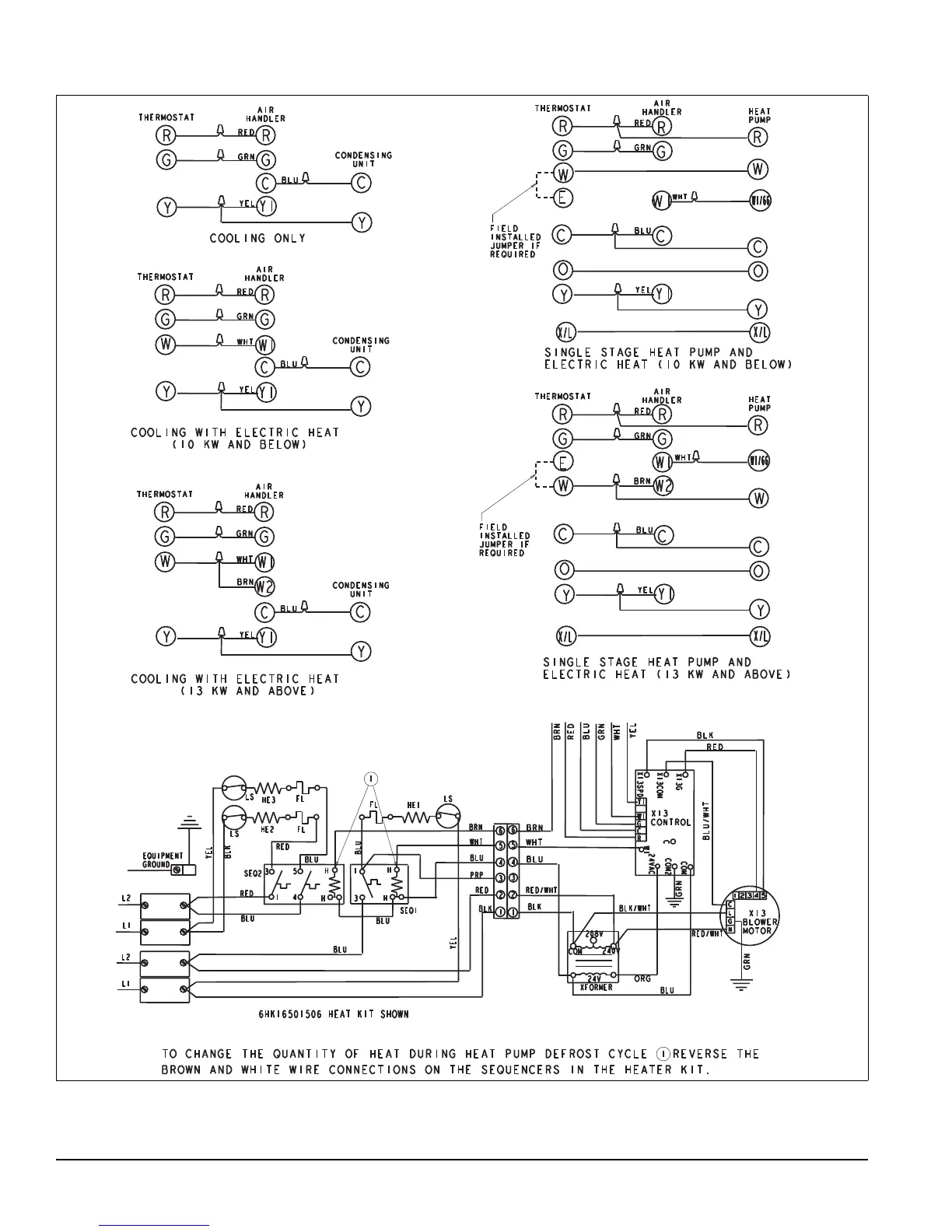
York AHE48D3XH21 - Typical Thermostat Connection

York AHE48D3XH21
12 pages
Print Icon
To Next Page IconTo Next Page
To Next Page IconTo Next Page
To Previous Page IconTo Previous Page
To Previous Page IconTo Previous Page
Loading...
10 Johnson Controls Unitary Products
697887-YTG-H-0514
TYPICAL THERMOSTAT CONNECTION

Related product manuals