EasyManua.ls Logo

York YCAL0022 - FIGURE 21 - Power Wiring, Single Circuit

York YCAL0022
230 pages
To Next Page IconTo Next Page
To Next Page IconTo Next Page
To Previous Page IconTo Previous Page
To Previous Page IconTo Previous Page
Loading...
JOHNSON CONTROLS
78
FORM 150.67-NM1
ISSUE DATE: 4/28/2017
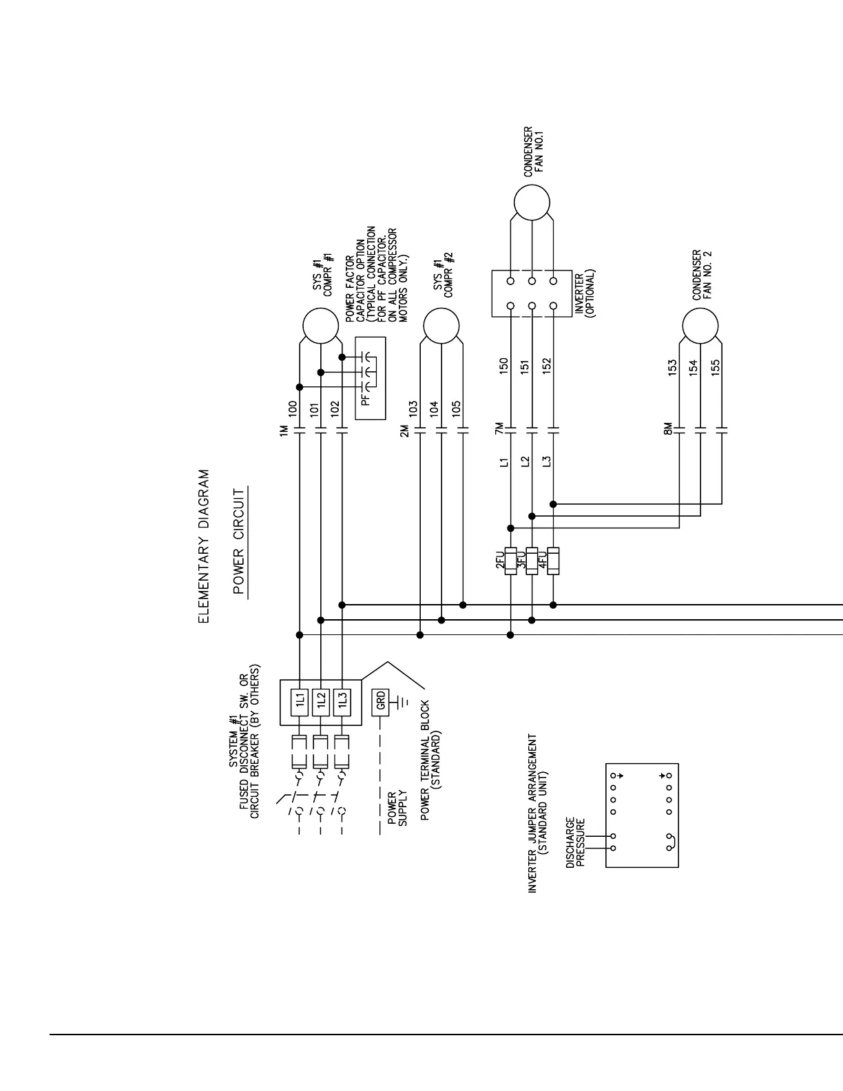
SECTION 5 – TECHNICAL DATA
FIGURE 21 - POWER WIRING, SINGLE CIRCUIT
YCAL0028-YCAL0033 ULTRA LOW SOUND (200V, 230V, 380V AND 575V)
LD22084a
21
76

Table of Contents

Other manuals for York YCAL0022

Related product manuals