EasyManua.ls Logo

Zanotti BAS235T02F - Mas335 N02 F

Zanotti BAS235T02F
86 pages
Print Icon
To Next Page IconTo Next Page
To Next Page IconTo Next Page
To Previous Page IconTo Previous Page
To Previous Page IconTo Previous Page
Loading...
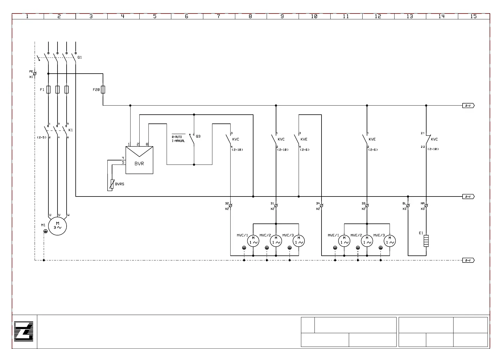
DATA:
REV.nr. FOGLIO nr :
DI
12
MAS335N02F-N326F-N391F-N244F
MAS335T02F-T07F-T152F-T161F-T350F-T380F
MAS335T02F/ELX-T383F-T600F
AS81851
05-12-2005Pedrazzoli
DISEGNO nr.
ApprovatoDisegnato
Soncini
DATA: Approvato
MODELLO
BAS335N02F-N07F-N325F
BAS335N02F/INL-N02F/CRI-N325F/ANM
BAS335T02F-T07F-T150F-T182F-T325F-T405F
BAS335T02F/ANM-T607F
380-400-415V/3N~/50Hz
L1
L2 L3
N
PE
NE
6,3A
SWITCH:
11 11
1
1MA
BL
BL
GVGV
BLBL
5
BL
NE-31
5MA
MA
MA
BL
NE
BL-34
BL
GV
GV
BL
NE-33
BL-32
BL
BL-34
1
BL
1
BL-34
GVGVGVGV GV
(X1 TERMINAL BOARD = ELECTRICAL CONTROL BOARD)
(X2 TERMINAL BOARD = ELECTRICAL BOX FOR CONDENSER & EVAPORATOR MOTOR FANS)
MORSETTIERA X3 = SCATOLA CONNESSIONE SOLENOIDI E RESISTENZA CARTER COMPRESSORE
MORSETTIERA X2 = SCATOLA CONNESSIONE MOTOVENTILATORI CONDENSATORE E EVAPORATORE
(X3 TERMINAL BOARD = ELECTRICAL BOX FOR SOLENOIDS & COMPRESSOR CRANKCASE HEATER)
MORSETTIERA X1 = QUADRO ELETTRICO

Related product manuals