EasyManua.ls Logo

Zanotti BAS235T02F - Mdb340 No02 F

Zanotti BAS235T02F
86 pages
Print Icon
To Next Page IconTo Next Page
To Next Page IconTo Next Page
To Previous Page IconTo Previous Page
To Previous Page IconTo Previous Page
Loading...
DATA:
REV.nr. FOGLIO nr :
DI
13
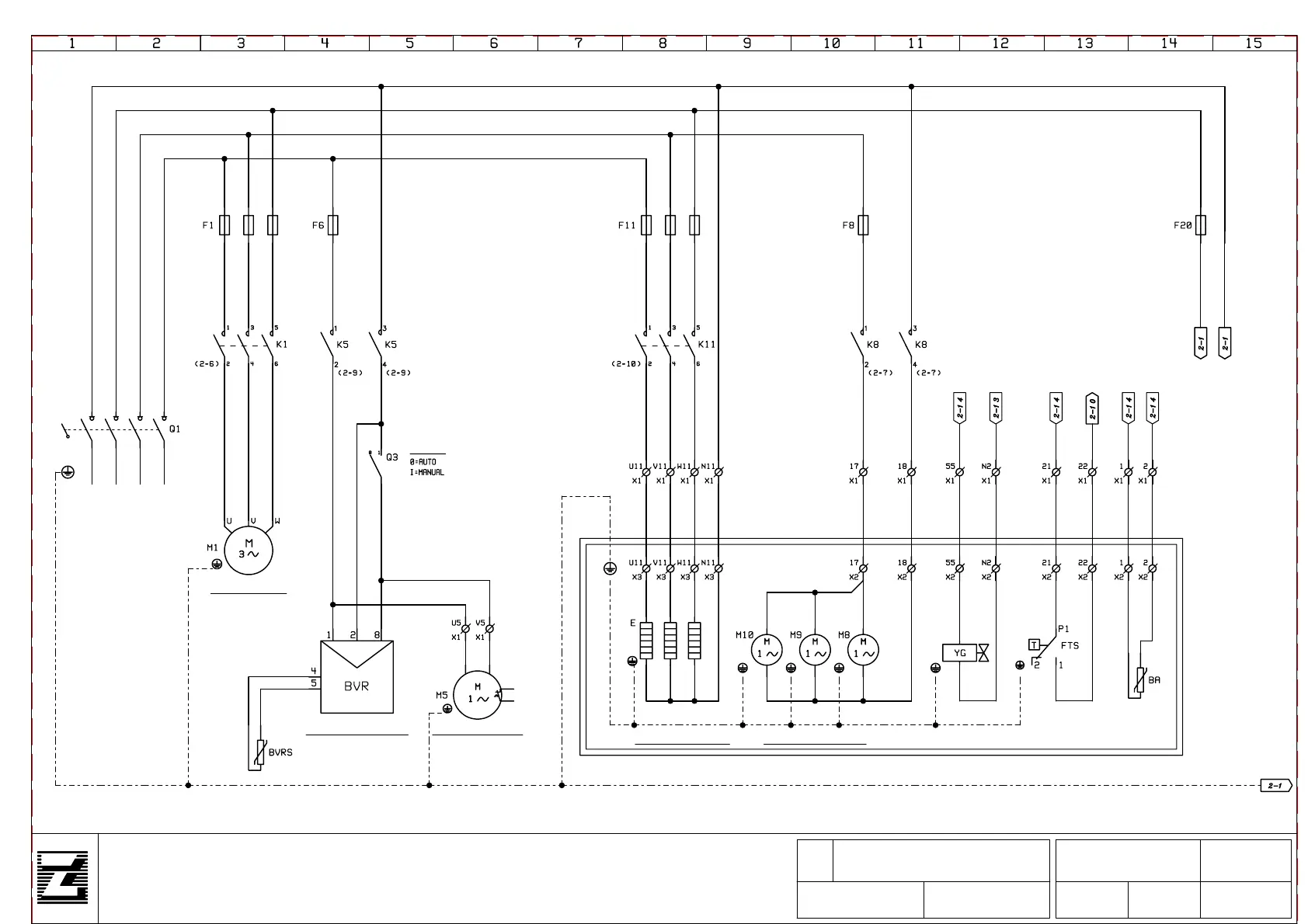
MDB340NO02F-86F-89F-152F-315F-316F-317F
MDB340N315F/ANP
AA10001
04-04-2003Soncini
DISEGNO nr.
ApprovatoDisegnato
Soncini
DATA: Approvato
MODELLO
MDB340TO02F/FNV
MDB340TO02F-86F-152F-316F-318F
GGCD631TO02F
380-400-415V/3N~/50Hz
PE
EVAPORATOR
F5TK
SPEED REGULATOR CONDENSER FAN
DEFROST HEATER EVAPORATOR FANS
COMPRESSOR
220-230-240V/1N~/50Hz
6A 16A 6A 4A
SWITCH:
GV GV GV GV GV
GV
L4
L6
L8
L10
L12
L7
L9
L11
L5
L6L13L14
L15
GV
L16 N1
L17
L19
L21
L18
L22
L20
L6
L5
L4L22 L22
L18L18
L20L20
L4
N1N1
L23 L5L23L23 L25
L24L24L24 N1
3 33
1
N1N1
7 77
6
5
6
88
5 5
GV
GV
GV
L4
L6
N1
GV
L23
L6
L5
N1
L24
N1
6N1
N1
L4
N1
N1
L4
L5
N1
N1
L14
L6
L24 L24
N
L1
L2
L5
L3
L16
GV
L4
8
L23
6
GV
GV
L15
GVGV

Related product manuals