EasyManua.ls Logo

Zanotti BAS235T02F - Page 24

Zanotti BAS235T02F
86 pages
Print Icon
To Next Page IconTo Next Page
To Next Page IconTo Next Page
To Previous Page IconTo Previous Page
To Previous Page IconTo Previous Page
Loading...
DATA:
REV.nr. FOGLIO nr :
DI
22
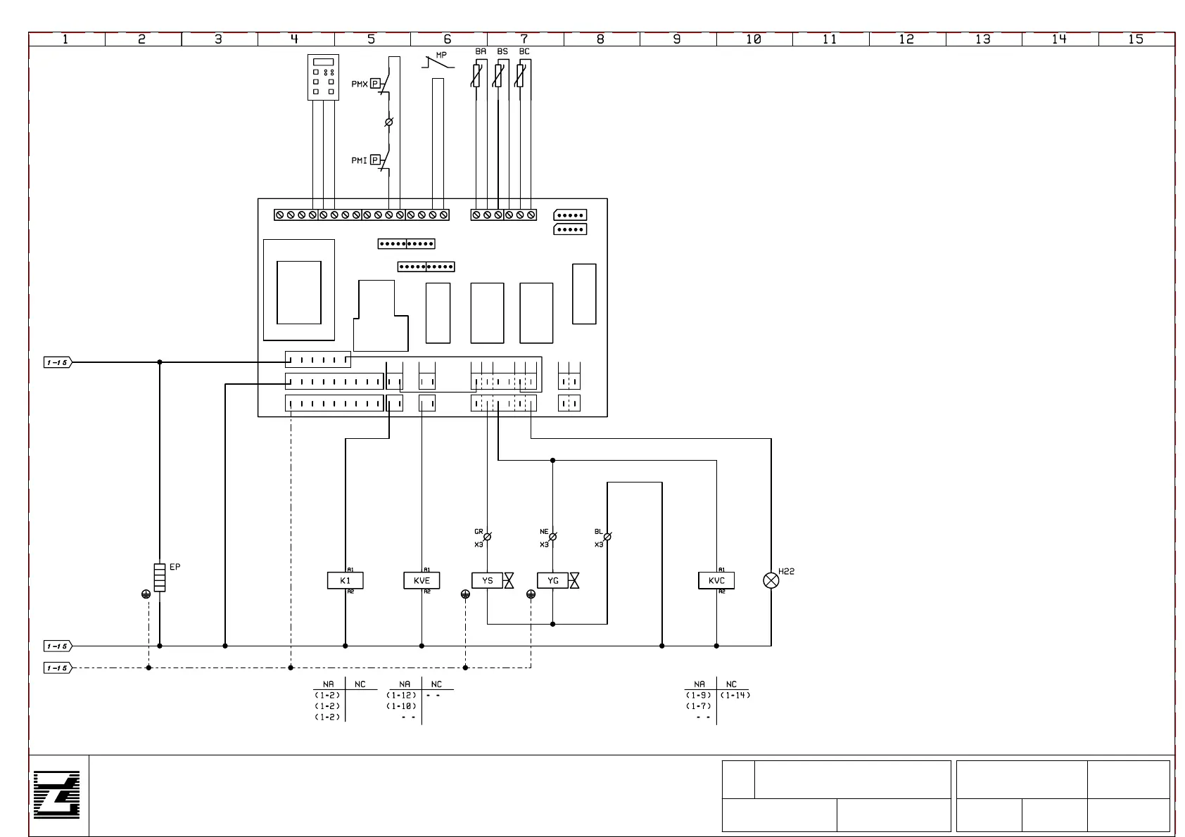
BAS340T02F-T07F-T157F-T325F-T400F
MAS340T02F-T02F/ELX-T600F
MAS340T07F-T152F-T390F-T325F
AS81860
05-12-2005Soncini
DISEGNO nr.
ApprovatoDisegnato
Pedrazzoli
DATA: Approvato
MODELLO
BY-CLIENT
MA
2
3
MA
BL
1
2
1
4
bi
ve
ma
BL
BL
MAMA
8
BL
GV
MA
NE
4
GR
BL BL BL
GV
BL
BL
GVGVGV
BLBLBLBL
GND2
N
L
GND
NO
RL1
NO NC
RL3
COM
RL3RL3
COM NO
RL4 RL4
COM
RL5
NO
RL5
485-
SIG
DI1
DI2
DI3
PB2
COMPRESSOR
EVAP.
FANS
DEFROST
ALARM
LIGHT
ROOM
RL2 RL3 RL4
RL5
RL1
TELEVIS RS 485
485+
TRANSFORMER
12V
GND1
PB1
PB3
TTL
LONG DISTANCE
NO
RL2
VDD
GND2
485-
485+
CARD
SIGGND
12V
F1E

Related product manuals