EasyManua.ls Logo

Zanotti BAS235T02F - Page 29

Zanotti BAS235T02F
86 pages
Print Icon
To Next Page IconTo Next Page
To Next Page IconTo Next Page
To Previous Page IconTo Previous Page
To Previous Page IconTo Previous Page
Loading...
DATA:
REV.nr. FOGLIO nr :
DI
11
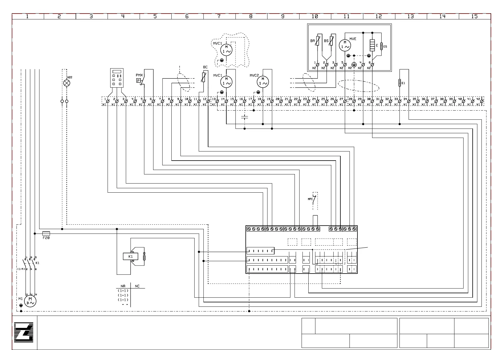
MGS315... MGS320...
BGS117... BGS218...
BGS220... BGS320...
GSP2001
02-05-2006SONCINI
DISEGNO nr.
ApprovatoDisegnato
ROSSI
DATA: Approvato
MODELLO
BGS330...
GCG203...
HCG201...
HCG202...
HCG203...
NE
BL
NE
GV
BL
NE
GV
BL
BL
BL
GVGVGV
BL
NE
"ES" SOLO SU BGS O SU RICHIESTA
"ES" ONLY ON BGS OR ON REQUEST
IN PRESENZA DI CAVO MICROPORTA
TOGLIERE PONTE ELETTRICO SU DI3
SOLO SU RICHIESTA
ONLY ON REQUEST
BLBL BL
NE
GV
CONDENSATORE SOLO SU GS3
CAPACITOR ONLY ON GS3
SOLO SU GS2
ONLY ON GS2
ma
ma
bl
bl
mabl bl
ne
ma
GV
GR
NE
MA
MA
GR
NE
MA
NE
GR
MA
GR
NE
GR
EVAPORATORE REMOTO (REMOTE EVAPORATOR)
cavo (cable)=3x0,5mmq
ALL' EVAP. REM.
(TO REM. EVAP.)
DALL' UNITA' COND.
(FROM COND. UNIT)
cavo (cable)=
4x1,5mmq
cavo (cable)=3x0,5mmq
MA
MA
Æ
Æ
Æ
Æ
Æ
(BY-CLIENT)
MA
NE
5
4
6
GV
PE L3
LINEA (SUPPLY)
380-400V/3N~/50-60Hz
L1
GV
GR
BL
BL
NE
NE
GV
MA
NE
NE
BL
L2 N
BL
BL
BL
BL
NENE
NE
BL
Æ
UNITA' CONDENSATE AD ACQUA:
MVC1 e MVC2 SONO ASSENTI NEGLI "MGS",
MVC2 E' ASSENTE NEI "BGS2".
WATER CONDENSED UNITS:
MVC1 and MVC2 ARE NOT INCLUDED IN THE "MGS" UNITS,
MVC2 IS NOT INCLUDED IN THE "BGS2" UNITS.
MA
PREDISPOSIZIONE PER "LUCE-CELLA"
PREDISPOSITION FOR "LIGHT-ROOM"
MA
BL
MA
MA
MA
ATTENZIONE: PER UNITA' CON PREDISPOSIZIONE "LUCE-CELLA",
INSERIRE UN PONTE ELETTRICO SULLA SCHEDA DA "LINE" A "COM-RL4".
ATTENTION: FOR UNITS WITH "LIGHT-ROOM" PREDISPOSITION,
INSERT AN ELECTRIC LINK ON THE ELECTRONIC CARD FROM "LINE" TO "COM-RL4".
NE
Æ
MA
15
12
12
12
5
5
5
15
15
15
7
7
7
VE
15
6
6
6
15
16
16
16
16
16
8
8
8
MA
MA
BI
BI
BI
9
9
9
17
17
17
17
17
11
11
11
18
18
18
18
18
VE
VE
15
SIGGND
12V
GND2
NEUTRAL
LINE
GND
NO
RL1
NO NC
RL3
COM
RL3RL3
COM NO
RL4 RL4
COM
RL5
NO
RL5
485-
SIG
DI1
DI2
DI3
PB2
485+
12V
GND1
PB1
PB3
NO
RL2
VDD
GND2
485-
485+
COMP.
EVAP.
DEFROST
LIGHT
ALARM
FANS ROOM
F1E

Related product manuals