EasyManua.ls Logo

Zanotti BAS235T02F - Page 35

Zanotti BAS235T02F
86 pages
Print Icon
To Next Page IconTo Next Page
To Next Page IconTo Next Page
To Previous Page IconTo Previous Page
To Previous Page IconTo Previous Page
Loading...
DATA:
REV.nr. FOGLIO nr :
DI
13
MDB235NO...
MDB253TO...
BDB235NO...
AA08001
04-04-2003Soncini
DISEGNO nr.
ApprovatoDisegnato
Soncini
DATA: Approvato
MODELLO
GCD401NO...
GCD401TO...
HCD401NO...
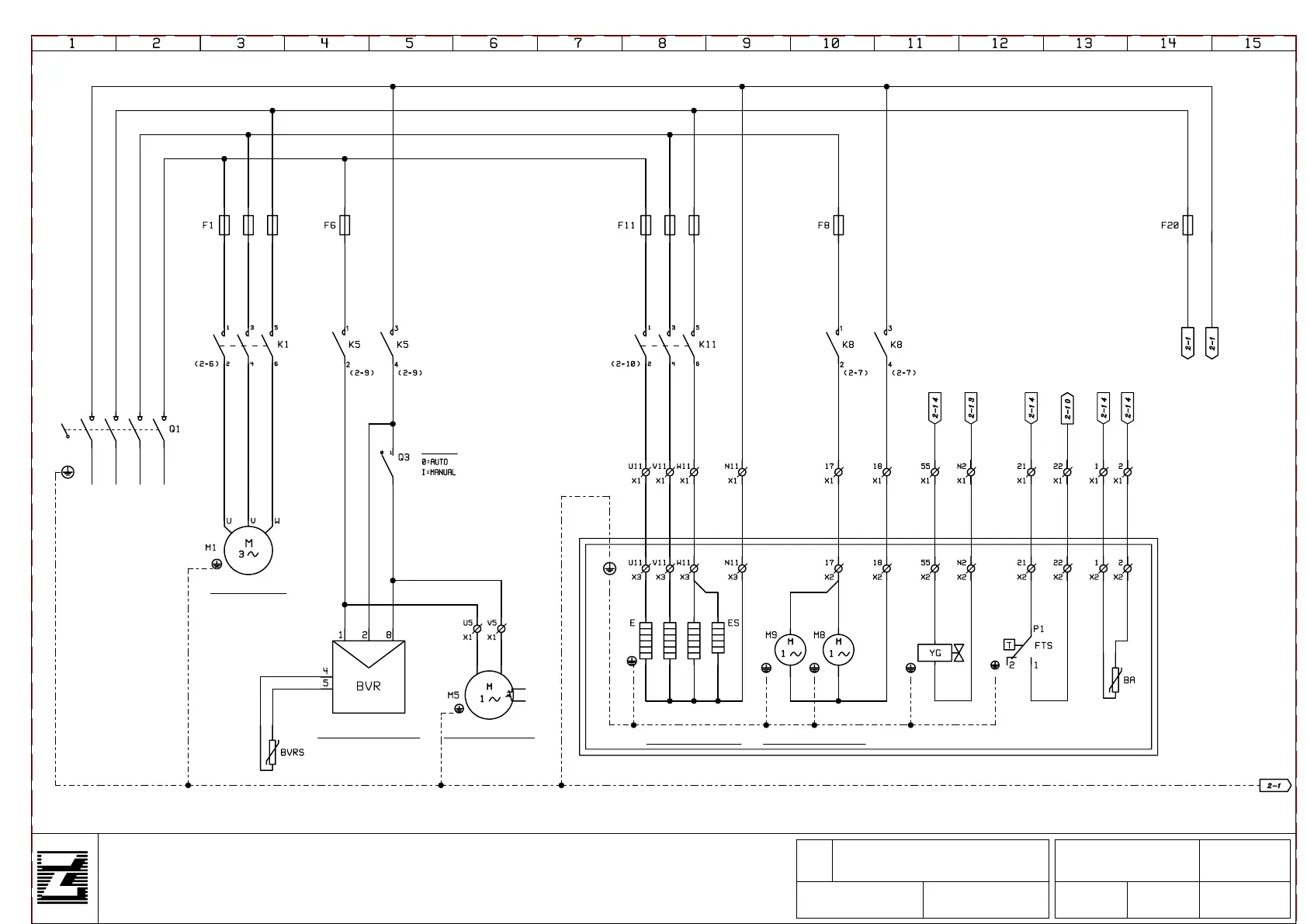
380-400-415V/3N~/50Hz
PE
EVAPORATOR
F5TK
SPEED REGULATOR CONDENSER FAN
DEFROST HEATER EVAPORATOR FANS
COMPRESSOR
220-230-240V/1N~/50Hz
4A 10A 4A 4A
SWITCH:
GV
GV GV GV GV
ES SOLO PER "BDB" O SE RICHIESTO IN VARIANTE
(ES ONLY FOR "BDB" OR IF IN VARIANT CODE REQUIRED)
HEU304D=SUPA 746 E (SIARCO)
SOLO PER VARIANTE "463"
(ONLY FOR "463" VARIANT)
N1
N1
GV
GV
GV
GV
L4
L4
L4
1
N1
L7L8
L9L10
L19
7
L17
L5
L18L18L18
L21
L11L12
L6
L6
L6
L5
L5
L5
L20L20
L25
7
8
7
N1
N1 N1N1
8
L24L24
8
L23
6
6
5 5
L24
L24
5
6
L23
33
L20
L22
6
3
L23
N1
L22
L13
L22
L6
N1
N1
L5 L5
L14
L14
N1
L6
L6
N
N1
L16
L15
N1
N1
L1
L2
L3
L24
L4
L4
GV
L16
GV
GVGV GVGV
L4
L4
L23
L22
N1 N1
L15

Related product manuals