EasyManua.ls Logo

Zanotti BAS235T02F - Page 63

Zanotti BAS235T02F
86 pages
Print Icon
To Next Page IconTo Next Page
To Next Page IconTo Next Page
To Previous Page IconTo Previous Page
To Previous Page IconTo Previous Page
Loading...
DATA:
REV.nr. FOGLIO nr :
DI
23
MDB340TS02F
MDB340TS161F
MDB340TS170F/ELX
AB10003
16-04-2003Soncini
DISEGNO nr.
ApprovatoDisegnato
Soncini
DATA: Approvato
MODELLO
01
26-05-2004 SONCINI
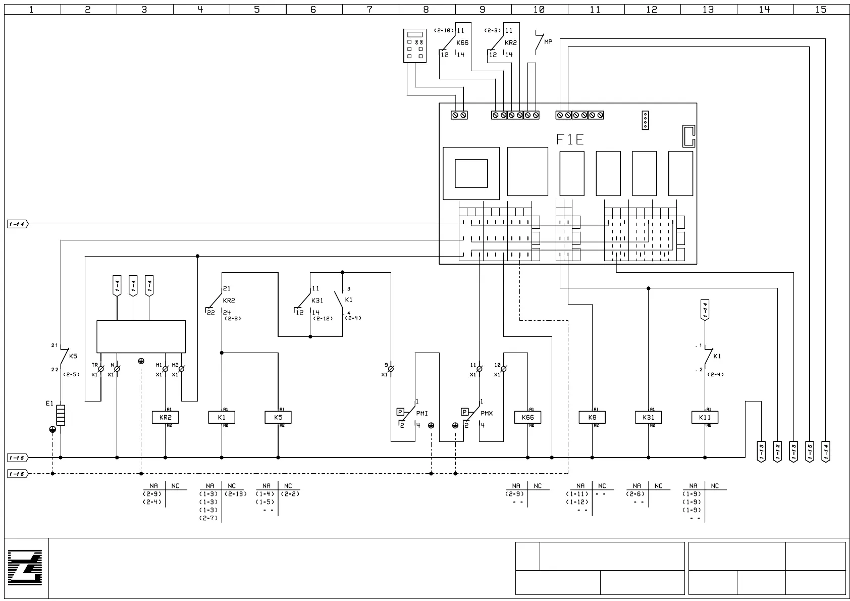
Rivisto collegamento "F1TR"
N1
3
11
13
6
10
GV
20
12
N1
50
16
20
5
5
3
N1
11
N1
30
N1
N1
3
3
8
1
7
N1
GV
N1
N1
11
N1 N1
GV
21
10
17
L8
L10
L12
20
GV
N1 N1
N1
N1 N1
50
25
27
22
23
8
8
N1
7
7
3
17
20
11
20
20
GV
41
GV
40
40
10
GV
17
GV
12
T2T1 S1 S2 M1 M2
L1 L2 L3
-+
-
NEUTRALLINE GROUND
3456789
A
B
C
1224567
D
E
F
NO NO
RL1 RL2 NO NC NC
RL3
COM
123 89
NO
COM
RL4
NC
NO
RL5
COM
G
H
I
+
DI1 DI2 DI3 PB2
COMPRESSOR EVAP.FANS DEFROST ALARMLIGHT
1
RL2 RL3 RL4 RL5RL1
TRANSFORMER
ROOM
PB1 PB3
F1TR

Related product manuals