EasyManua.ls Logo

Zanotti BGM32002F - Page 18

Zanotti BGM32002F
86 pages
Print Icon
To Next Page IconTo Next Page
To Next Page IconTo Next Page
To Previous Page IconTo Previous Page
To Previous Page IconTo Previous Page
Loading...
DATA:
REV.nr. FOGLIO nr :
DI
01
11
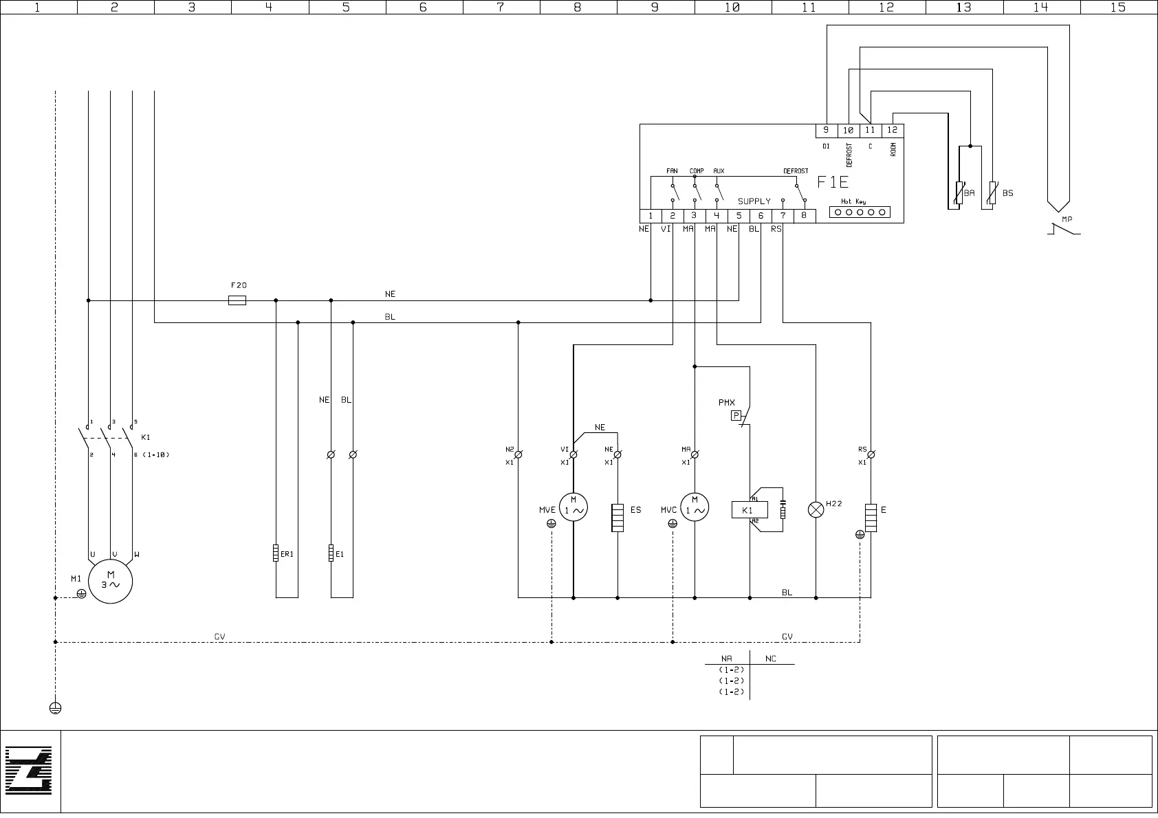
MZM212T.... MZM213T.... MZM315P....
BZM220T.... BZM330P.... BZM330T....
ZMN2001
06-02-2006Soncini
DISEGNO nr.
ApprovatoDisegnato
Soncini
DATA:
08/01/2008
Approvato
Soncini
MODELLO
NUOVA CENTRALINA
MZM320P.... MZM320T....
400V/3N~/50-60Hz
PE L1 L3
2CU0010
L2
N
"E1-ER1" SOLO SE RICHIESTO IN VARIANTE
("E1-ER1" ONLY IF IN VARIANT CODE REQUIRED)
XR 70CX
.....

Related product manuals