EasyManua.ls Logo

Zanotti BGM32002F - Mas340 T02 F

Zanotti BGM32002F
86 pages
Print Icon
To Next Page IconTo Next Page
To Next Page IconTo Next Page
To Previous Page IconTo Previous Page
To Previous Page IconTo Previous Page
Loading...
DATA:
REV.nr. FOGLIO nr :
DI
12
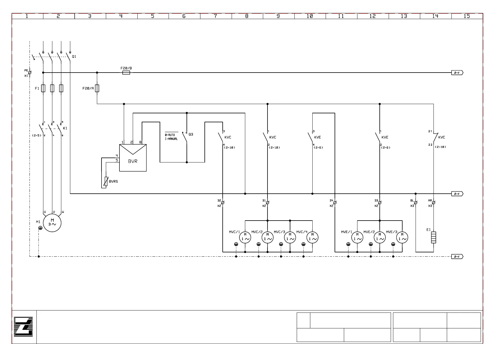
BAS340T02F-T07F-T157F-T325F-T400F
MAS340T02F-T02F/ELX-T600F
MAS340T07F-T152F-T390F-T325F
AS81860
05-12-2005Soncini
DISEGNO nr.
ApprovatoDisegnato
Pedrazzoli
DATA: Approvato
MODELLO
380-400-415V/3N~/50Hz
L1
L2 L3
N
PE
NE
10A
SWITCH:
11
8
1
1
1MA
BL
BL
GVGV
BLBL
5
BL
NE-31
5MA
MA
MA
BL
NE
BL-34
BL
GV
GV
BL
NE-33
BL-32
BL
BL-34
1
BL
1
BL-34
6,3A
NE
GVGVGVGVGVGV
(X1 TERMINAL BOARD = ELECTRICAL CONTROL BOARD)
(X2 TERMINAL BOARD = ELECTRICAL BOX FOR CONDENSER & EVAPORATOR MOTOR FANS)
MORSETTIERA X3 = SCATOLA CONNESSIONE SOLENOIDI E RESISTENZA CARTER COMPRESSORE
MORSETTIERA X2 = SCATOLA CONNESSIONE MOTOVENTILATORI CONDENSATORE E EVAPORATORE
(X3 TERMINAL BOARD = ELECTRICAL BOX FOR SOLENOIDS & COMPRESSOR CRANKCASE HEATER)
MORSETTIERA X1 = QUADRO ELETTRICO

Related product manuals