EasyManua.ls Logo

Zanotti BGM32002F - Page 22

Zanotti BGM32002F
86 pages
Print Icon
To Next Page IconTo Next Page
To Next Page IconTo Next Page
To Previous Page IconTo Previous Page
To Previous Page IconTo Previous Page
Loading...
DATA:
REV.nr. FOGLIO nr :
DI
22
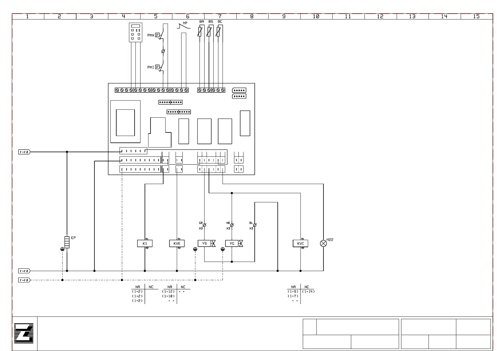
MAS335N02F-N326F-N391F-N244F
MAS335T02F-T07F-T152F-T161F-T350F-T380F
MAS335T02F/ELX-T383F-T600F
AS81851
05-12-2005Pedrazzoli
DISEGNO nr.
ApprovatoDisegnato
Soncini
DATA: Approvato
MODELLO
BAS335N02F-N07F-N325F
BAS335N02F/INL-N02F/CRI-N325F/ANM
BAS335T02F-T07F-T150F-T182F-T325F-T405F
BAS335T02F/ANM-T607F
BY-CLIENT
MA
2
3
MA
BL
1
2
1
4
bi
ve
ma
BL
BL
MAMA
1
BL
GV
MA
NE
4
GR
BL BL BL
GV
BL
BL
GVGVGV
BLBLBLBL
GND2
N
L
GND
NO
RL1
NO NC
RL3
COM
RL3RL3
COM NO
RL4 RL4
COM
RL5
NO
RL5
485-
SIG
DI1
DI2
DI3
PB2
COMPRESSOR
EVAP.
FANS
DEFROST
ALARM
LIGHT
ROOM
RL2 RL3 RL4
RL5
RL1
TELEVIS RS 485
485+
TRANSFORMER
12V
GND1
PB1
PB3
TTL
LONG DISTANCE
NO
RL2
VDD
GND2
485-
485+
CARD
SIGGND
12V
F1E

Related product manuals