EasyManua.ls Logo

Zanotti BGM32002F - Mas123 T443 S

Zanotti BGM32002F
86 pages
Print Icon
To Next Page IconTo Next Page
To Next Page IconTo Next Page
To Previous Page IconTo Previous Page
To Previous Page IconTo Previous Page
Loading...
DATA:
REV.nr. FOGLIO nr :
DI
01
11
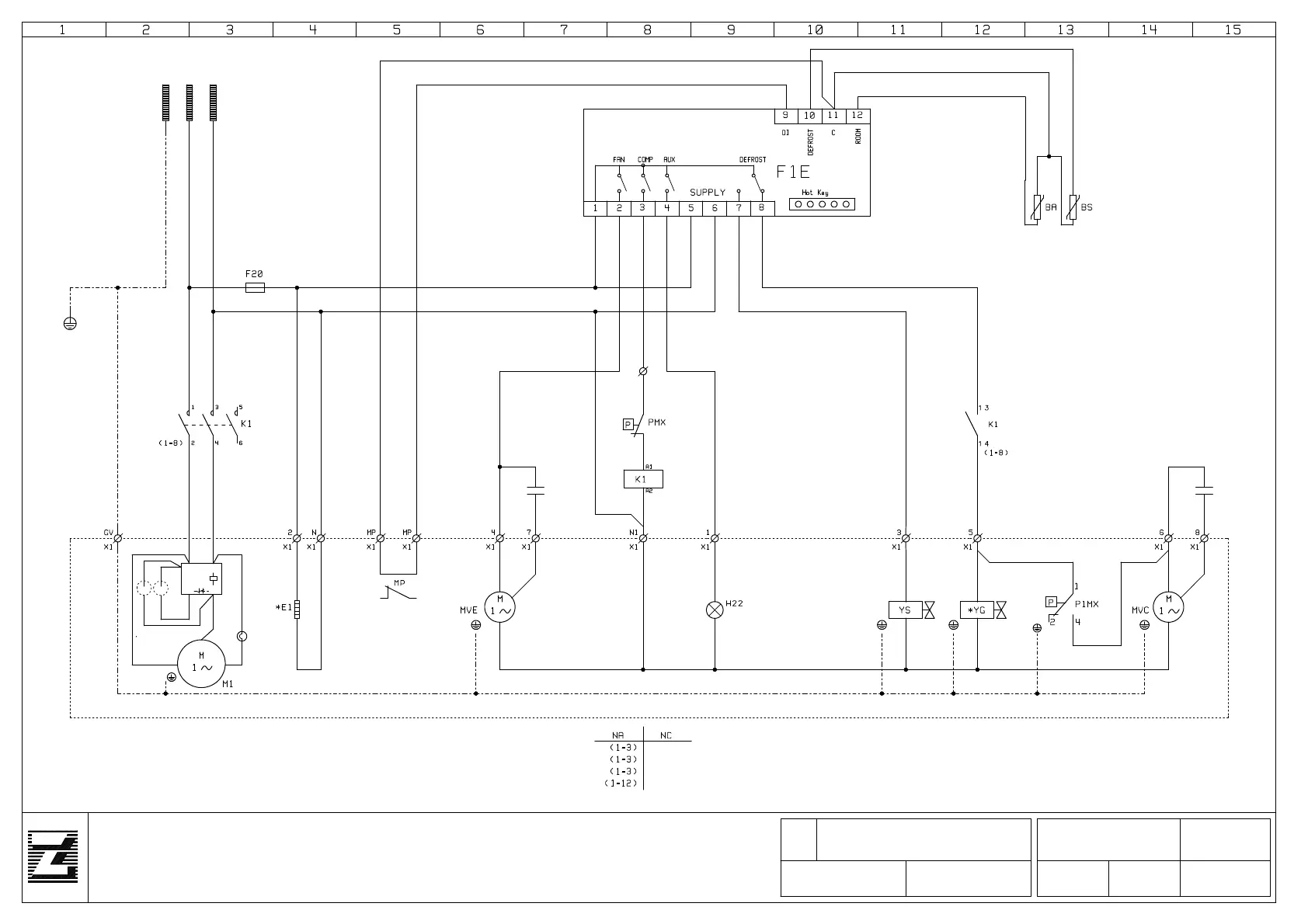
MAS123T443F-T443S-T454S-T538S-T554S
MAS221N443F-N443S-N538S-N554S-N568F
MAS221T539F-T388F
ASRC003
16-09-2005SONCINI
DISEGNO nr.
ApprovatoDisegnato
ROSSI
DATA:
08/01/2008
Approvato
Soncini
MODELLO
MAS121T443F
NUOVA CENTRALINA
BAS123T442F
BAS221N442F-N443F-T442F
BAS135N398F
BAS135T396F
230V/1N~/50Hz
PE L1
NE
GV
BL
BL
RS
MA
BL BL
GVGV
NE
BL
GV
BL
NE
NE
MA
GV
MA
BL
AR
AR
GV
N
BI
BL
NE
MA
BI
RS
VI
NE
BL
BL
GV
MA
GV
GV
NE
MA
VI
VI
BL VI
GR
RA
RA
GR
RA
RA
DOOR MICROSWITCH
ROOM LIGHT
*YG ASSENTE PER MACCHINE CON VARIANTE "554"
(*YG DO NOT PRESENT FOR UNITS WITH "554" VARIANT)
*E1 ASSENTE PER MACCHINE CON VARIANTE "568"
(*E1 DO NOT PRESENT FOR UNITS WITH "568" VARIANT)
BL
BL
GV
S
C
R
4
1
2
5
RC SC
OL
_
_
_
_
XR 70CX
.....

Related product manuals