EasyManua.ls Logo

Zanotti BGM32002F - Page 51

Zanotti BGM32002F
86 pages
Print Icon
To Next Page IconTo Next Page
To Next Page IconTo Next Page
To Previous Page IconTo Previous Page
To Previous Page IconTo Previous Page
Loading...
DATA:
REV.nr. FOGLIO nr :
DI
23
MDB235NS02F-NS446F
MDB235NS237F
MDB235TS02F
AB08001
15-04-2003Soncini
DISEGNO nr.
ApprovatoDisegnato
Soncini
DATA: Approvato
MODELLO
7DB235NS02F
7DB235TS02F
GCD401TS02F
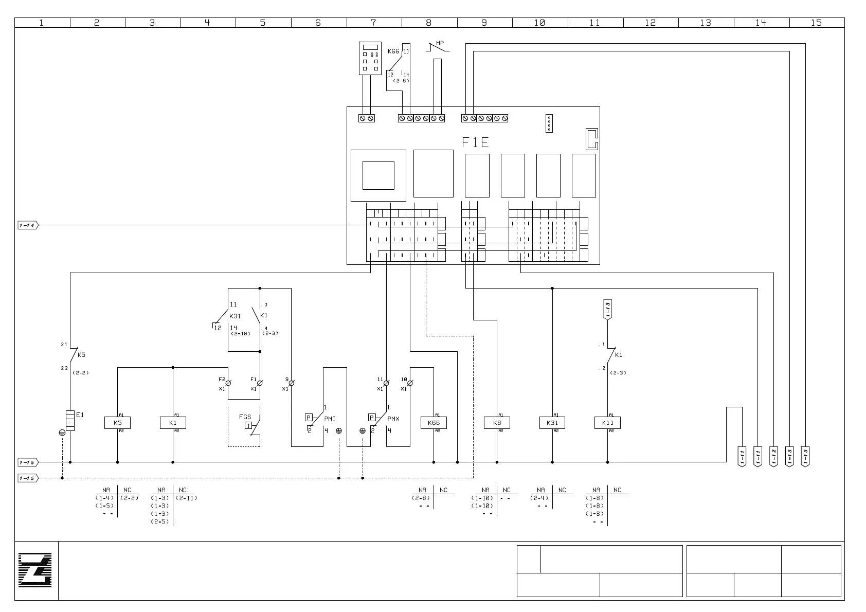
In presence of "FGS",
remove the link
1111
11
11
3
33
3
3
8
8
27
40
40
N1
N1
N1
N1
N1N1 N1N1N1 N1N1N1 N1
1
16
25
50
50
17
1717
7
7
12
12
GV GV GV GV
GV
GV
16
13
30
10
10
6
5
5
41
-+
-
NEUTRALLINE GROUND
3456789
A
B
C
12 2 4567
D
E
F
NO NO
RL1 RL2 NO NC NC
RL3
COM
123 89
NO
COM
RL4
NC
NO
RL5
COM
G
H
I
+
DI1 DI2 DI3 PB2
COMPRESSOR EVAP.FANS DEFROST ALARMLIGHT
1
RL2 RL3 RL4 RL5RL1
TRANSFORMER
ROOM
PB1 PB3

Related product manuals