EasyManua.ls Logo

Zanotti BGM32002F - Page 57

Zanotti BGM32002F
86 pages
Print Icon
To Next Page IconTo Next Page
To Next Page IconTo Next Page
To Previous Page IconTo Previous Page
To Previous Page IconTo Previous Page
Loading...
DATA:
REV.nr. FOGLIO nr :
DI
23
MDB335TS02F
MDB335TS161F
MDB335TS267F
AB09003
16-04-2003Soncini
DISEGNO nr.
ApprovatoDisegnato
Varvella
DATA: Approvato
MODELLO
MDB335TS316F
7DB335TS02F
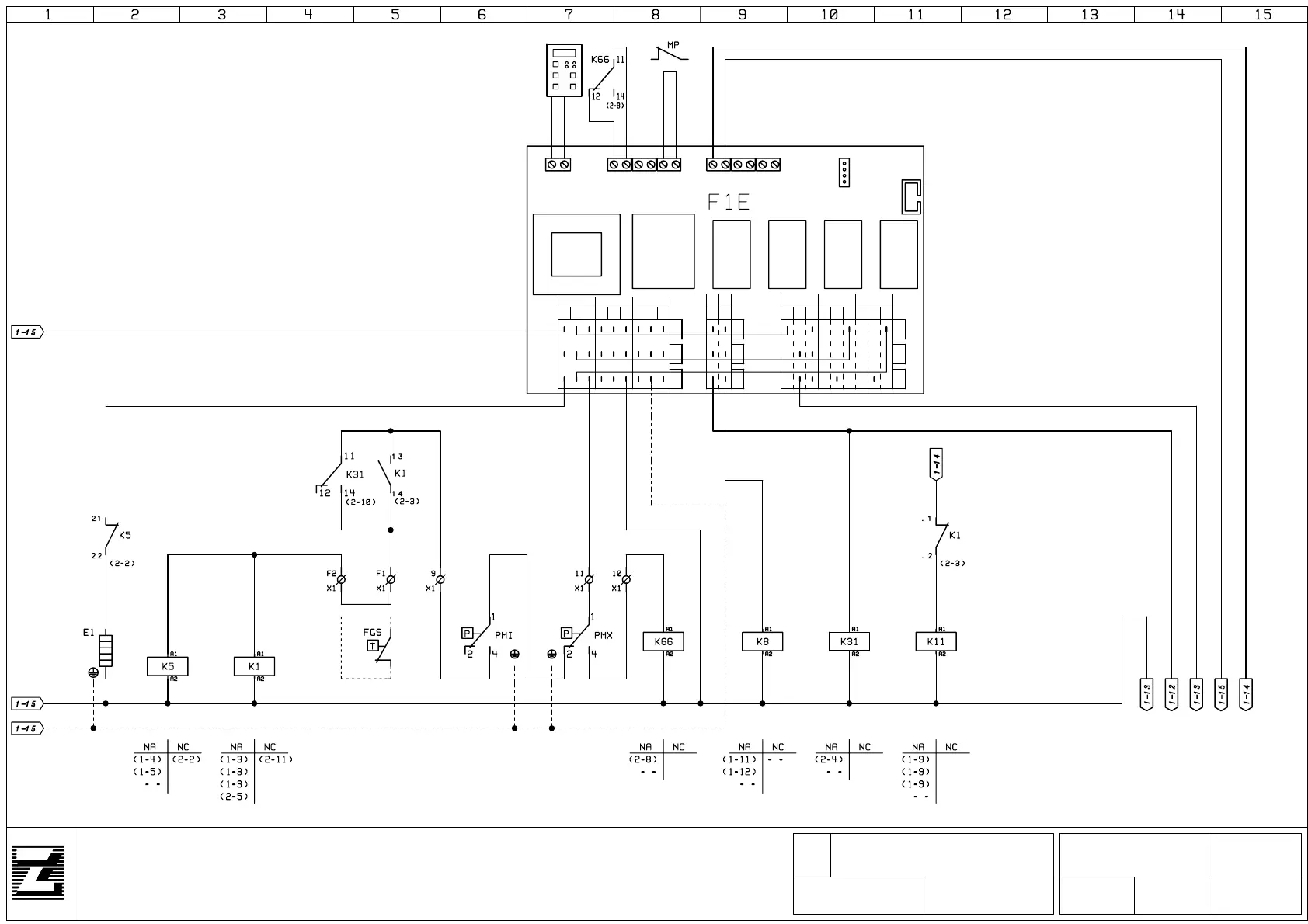
In presence of "FGS",
remove the link
1
13
11
17
10
16
40
3
N1
GV
50
25
27
630
N1
3
8
7
GV
N1
11
17
7
17
N1
N1
N1
N1
12
N1
512
N1
3
11
N1 N1
5
3
11
3
8
7
N1 N1
8
N1
40
10
50
41
GV
GV GV GV
-+
-
NEUTRALLINE GROUND
3456789
A
B
C
12 2 4567
D
E
F
NO NO
RL1 RL2 NO NC NC
RL3
COM
123 89
NO
COM
RL4
NC
NO
RL5
COM
G
H
I
+
DI1 DI2 DI3 PB2
COMPRESSOR EVAP.FANS DEFROST ALARMLIGHT
1
RL2 RL3 RL4 RL5RL1
TRANSFORMER
ROOM
PB1 PB3

Related product manuals