EasyManua.ls Logo

Zanotti MGS - Page 16

Zanotti MGS
86 pages
Print Icon
To Next Page IconTo Next Page
To Next Page IconTo Next Page
To Previous Page IconTo Previous Page
To Previous Page IconTo Previous Page
Loading...
DATA:
REV.nr. FOGLIO nr :
DI
11
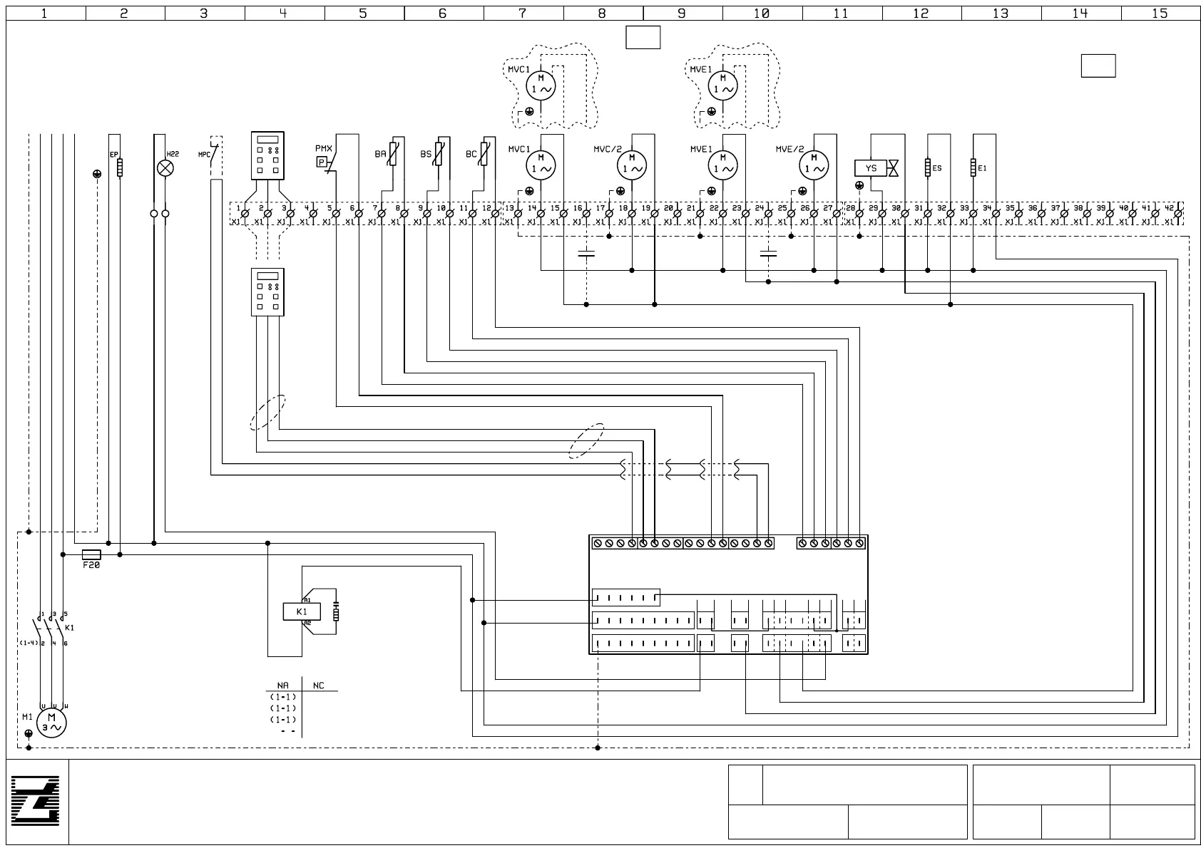
MGM315...
MGM320...
BGM117...
GMP2001
02-05-2006SONCINI
DISEGNO nr.
ApprovatoDisegnato
ROSSI
DATA: Approvato
MODELLO
BGM218...
BGM220...
BGM320...
BGM330...
BGM340...
NE
PE L3
LINEA (SUPPLY)
380-400V/3N~/50-60Hz
L1
GV
GR
BL
MA
BL
MA
BL
MA
BL
MA
BL
MA
BL
BL
NE
NE
NE
GV
BL
NE
GV
BL
NE
GV
BL
BL
BL
BL
BL
BL
GVGVGVGVGV
BL
NE
MA
MA
SOLO SU GM2
ONLY ON GM2
SOLO SU GM2
ONLY ON GM2
SOLO SU BGM O SU RICHIESTA
ONLY ON BGM OR ON REQUEST
IN ASSENZA DI CAVO MICROPORTA
INSERIRE PONTE ELETTRICO SU DI3
SOLO CON PANNELLO REMOTO
ONLY WITH REMOTE PANEL
NE
NE
SOLO SU RICHIESTA
ONLY ON REQUEST
SOLO SU BGM O SU RICHIESTA
ONLY ON BGM OR ON REQUEST
MA
MA
BL
GV
BLBL BL
NE
BL
MA
GV
MA
MA
BL
MA
BL
SEGNARE BS CON PENN. ROSSO
BA E BS SONO DI LUNGH. UGUALI
NON SEGNARE BC CON PENN.
BC E' LA SONDA PIU' CORTA
SEGNARE BA CON PENN. NERO
BA E BS SONO DI LUNGH. UGUALI
L2 N
BL
BL
BL
BL
NENE
CONDENSATORE SOLO SU GM3
CAPACITOR ONLY ON GM3
CONDENSATORE SOLO SU GM3
CAPACITOR ONLY ON GM3
ma
ma
bl
bl
mabl
mabl
bl
ne
ma
bl
ne
ma
UNITA' CONDENSATE AD ACQUA:
MVC1 e MVC2 SONO ASSENTI NEGLI "MGM",
MVC2 E' ASSENTE NEI "BGM2".
WATER CONDENSED UNITS:
MVC1 and MVC2 ARE NOT INCLUDED IN THE "MGM" UNITS,
MVC2 IS NOT INCLUDED IN THE "BGM2" UNITS.
* NOTA
* NOTE
* NOTA:
* NOTE:
12
12
12
10
10
10
MA
15
15
5
5
5
7
7
7
BI
15
6
6
6
16
15
15
16
16
8
8
8
18
18
18
18
18
MA
MA
MA
BI
BI
BI
9
9
9
15
15
VE
1616
16
17
17
17
17
17
15
11
11
11
16
15
VE
VE
VE
SIGGND12V
SIGGND12V
GND2
NEUTRAL
LINE
GND
NO
RL1
NO NC
RL3
COM
RL3RL3
COM NO
RL4 RL4
COM
RL5
NO
RL5
485-
SIG
DI1
DI2
DI3
PB2
485+
12V
GND1
PB1
PB3
NO
RL2
VDD
GND2
485-
485+
F1E

Related product manuals