EasyManua.ls Logo

Zanotti MGS - Page 17

Zanotti MGS
86 pages
Print Icon
To Next Page IconTo Next Page
To Next Page IconTo Next Page
To Previous Page IconTo Previous Page
To Previous Page IconTo Previous Page
Loading...
DATA:
REV.nr. FOGLIO nr :
DI
01
11
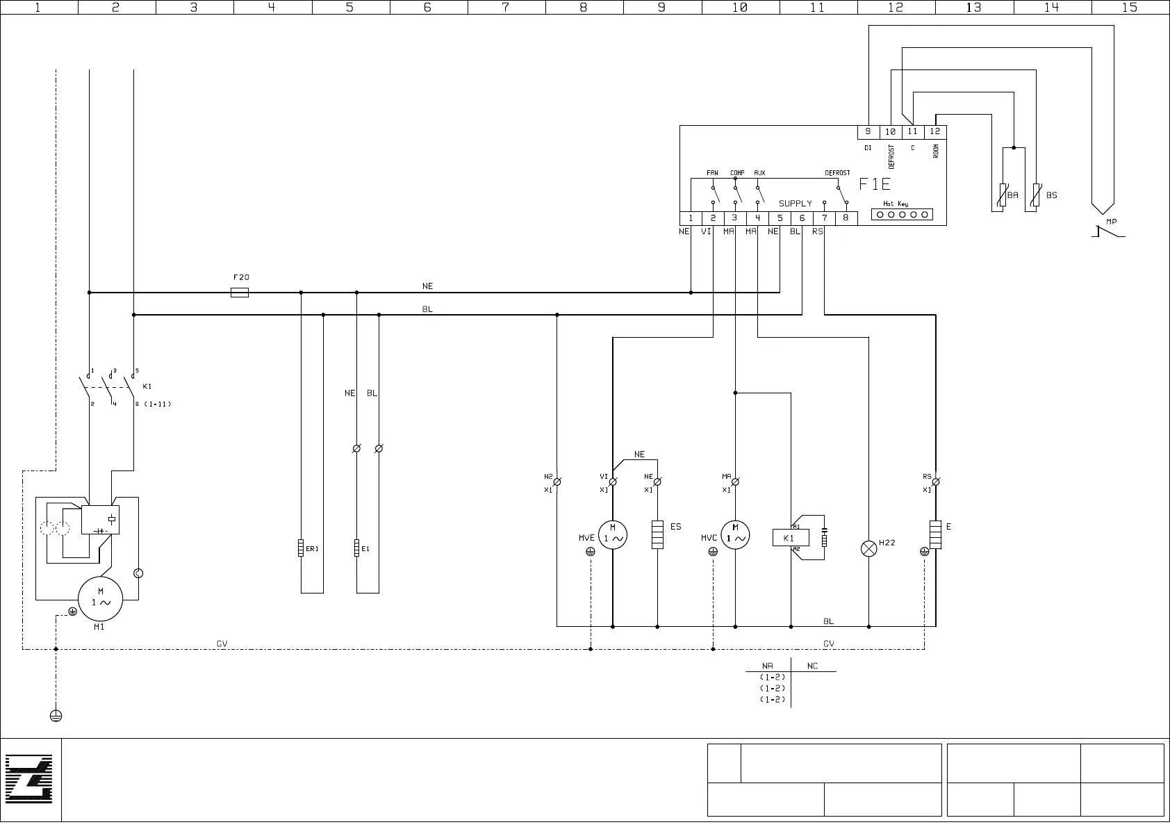
MZM105T.... MZM110T... MZM211T....
BZM112T.... BZM117T.... BZM218T...
ZMN1001
06-02-2006Soncini
DISEGNO nr.
ApprovatoDisegnato
Soncini
DATA:
08/01/2008
Approvato
Soncini
MODELLO
NUOVA ELETTRONICA
MZM212P.... MZM213P....
BZM220P....
230V/1N~/50-60Hz
PE L1 N
2CU0010
"E1-ER1" SOLO SE RICHIESTO IN VARIANTE
("E1-ER1" ONLY IF IN VARIANT CODE REQUIRED)
S
C
R
4
1
2
5
RC SC
OL
_
_
_
_
XR 70CX
.....

Related product manuals