EasyManua.ls Logo

Zanotti MGS - Page 25

Zanotti MGS
86 pages
Print Icon
To Next Page IconTo Next Page
To Next Page IconTo Next Page
To Previous Page IconTo Previous Page
To Previous Page IconTo Previous Page
Loading...
DATA:
REV.nr. FOGLIO nr :
DI
01
11
MZS105T.... MZS110T.... MZS211T....
BZS112T.... BZS117T.... BZS218T....
ZSN1001
06-04-2006Soncini
DISEGNO nr.
ApprovatoDisegnato
Soncini
DATA:
08/01/2008
Approvato
Soncini
MODELLO
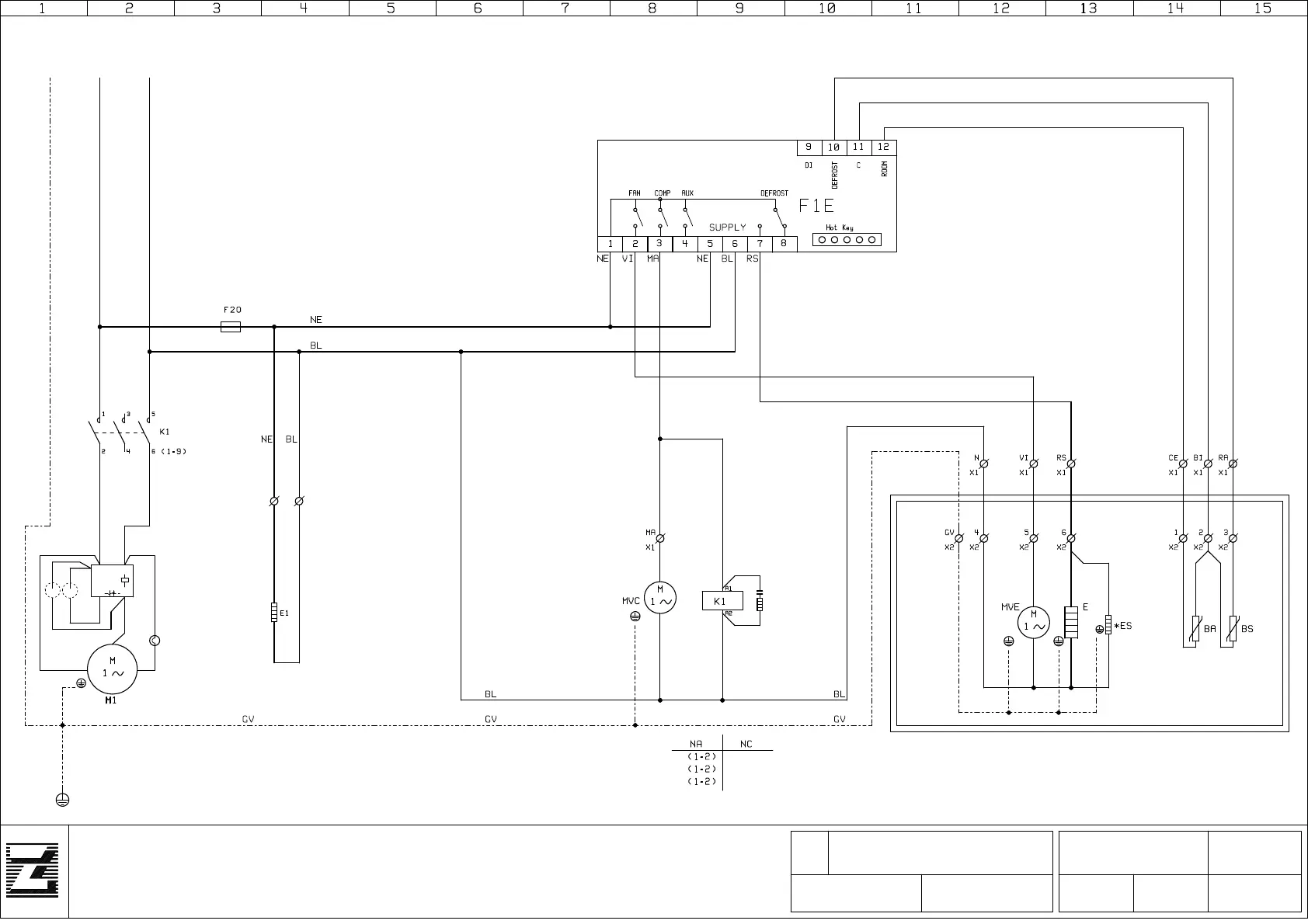
NUOVA CENTRALINA
MZS212P.... MZS213P....
BZS220P....
230V/1N~/50-60Hz
PE L1 N
2CU0010
EVAPORAT OR
GV
5
6
1
2
3
4
RA
BI
CE
VI
RS
BL
GV
"E1" SOLO SE RICHIESTO IN VARIANTE
("E1" ONLY IF IN VARIANT CODE REQUIRED)
S
C
R
4
1
2
5
RC SC
OL
_
_
_
_
XR 70CX
.....

Related product manuals