EasyManua.ls Logo

Zanotti MGS - Page 26

Zanotti MGS
86 pages
Print Icon
To Next Page IconTo Next Page
To Next Page IconTo Next Page
To Previous Page IconTo Previous Page
To Previous Page IconTo Previous Page
Loading...
DATA:
REV.nr. FOGLIO nr :
DI
01
11
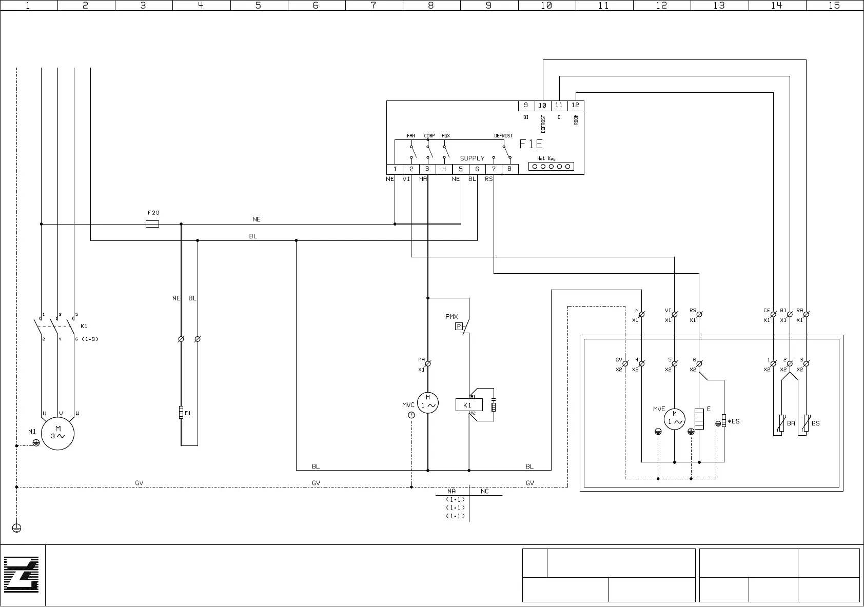
MZS212T.... MZS213T.... MZS315P....
BZS220T.... BZS330P.... BZS330T....
ZSN2001
06-04-2006Soncini
DISEGNO nr.
ApprovatoDisegnato
Soncini
DATA:
08/01/2008
Approvato
Soncini
MODELLO
NUOVA CENTRALINA
MZS320P.... MZS320T....
400V/3N~/50-60Hz
PE L1 L3
2CU0010
L2
N
"E1" SOLO SE RICHIESTO IN VARIANTE
("E1" ONLY IF IN VARIANT CODE REQUIRED)
EVAPORAT OR
GV
5
6
1
2
3
4
RA
BI
CE
VI
RS
BL
GV
XR 70CX
.....

Related product manuals