EasyManua.ls Logo

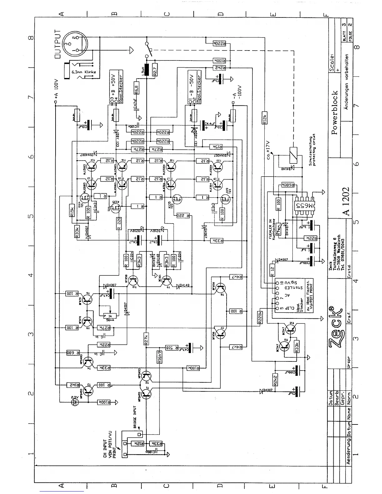
Zeck Audio A1202 - Power Block Details; Power Block Schematic

Default Icon
8 pages
Print Icon
To Next Page IconTo Next Page
To Next Page IconTo Next Page
To Previous Page IconTo Previous Page
To Previous Page IconTo Previous Page
Loading...

Related product manuals