EasyManua.ls Logo

Zero Zone RVZC30 - Condensate System and Airflow

Zero Zone RVZC30
32 pages
Print Icon
To Next Page IconTo Next Page
To Next Page IconTo Next Page
To Previous Page IconTo Previous Page
To Previous Page IconTo Previous Page
Loading...
RVZC30 (and BB/T/TBB/WA), RVZP30 (and BB/T/TBB/WA), RVC24
26
0407
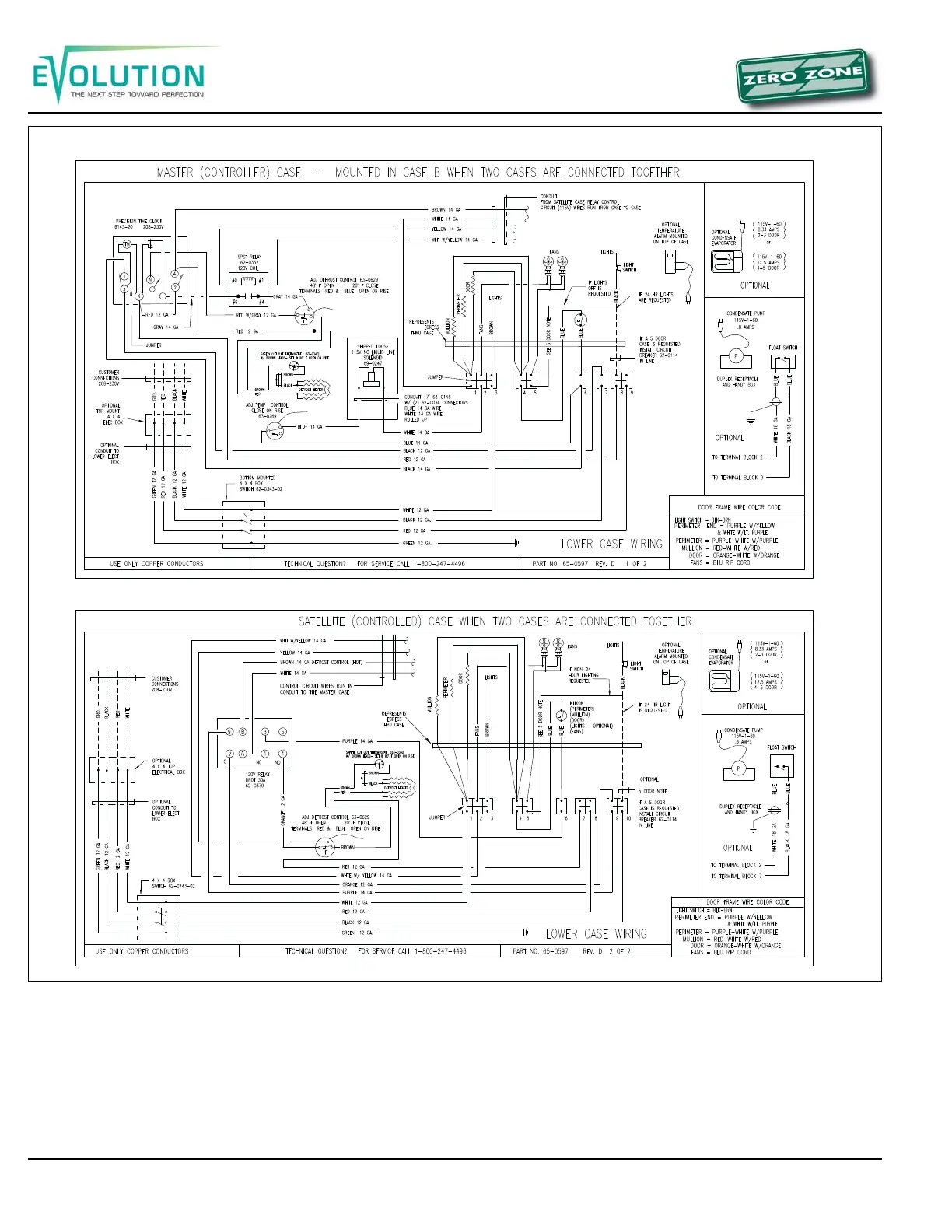
Figure 25: Master satellite wiring

Other manuals for Zero Zone RVZC30

Related product manuals