EasyManua.ls Logo

A.O. Smith FPSH - 75 - Page 9

A.O. Smith FPSH - 75
20 pages
Print Icon
To Next Page IconTo Next Page
To Next Page IconTo Next Page
To Previous Page IconTo Previous Page
To Previous Page IconTo Previous Page
Loading...
9
3. Make sure that plastic tubing is still attached to the pressure
switch and fan housing. Also make sure that wiring connector
from motor to control box is securely attached.
4. Do not plug in power cord until vent system is completely
installed. The Power Vent operates on 120 Vac, therefore a
grounded outlet must be within reach of the 6 foot flexible
power cord supplied with the vent (see fig.1). The power cord
supplied may be used on unit only where local codes permit.
If local codes do not permit use of flexible power supply cord:
A. Remove screws that hold cover plate on control box and
remove plate.
B. Cut flexible power cord on inside of control box, as close
to inside wall as possible.
C. If flexible cord and strain relief are removed, then opening
in box must be covered plastic cap on the side of the
control box.
D. Remove plastic cap on the right side of control box and
install suitable conduit fitting in enclosure.
E. Splice field wiring into existing wiring using code
authorized method (wire nuts, etc).
F. Be certain that neutral and line connections are not
reversed when making these connections.
G. Ground heater properly. This water heater must be
grounded on accordance with the National Electric Code
ANSI/NPA70 and/or local codes. These must be followed
in all cases.
The water heater must be connected to a grounded metal,
permanent wiring system; or an equipment grounding
conductor must be run with the circuit conductors and
connected to the equipment grounding terminal or lead
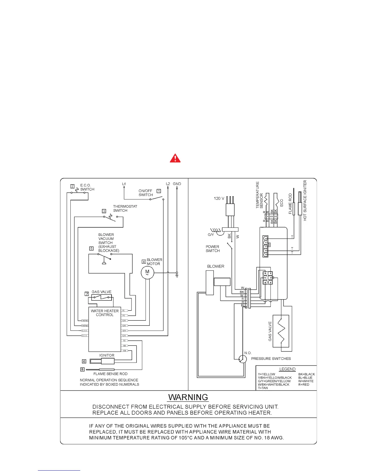
on the water heater, see Figure 7.
H. Replace cover plate and secure with two screws.
5. The blower discharge boot is made to accept only straight
sections of 3" pipe. To start off with an elbow, a short section
of the furnished pipe, a minimum of 2 inches, must be cut
and glued into the end of the elbow that will mount on the
discharge boot (see fig. 6).
POWER VENT WIRING SCHEMATIC - FIGURE 7
CAUTION
LABEL ALL WIRES PRIOR TO DISCONNECTION WHEN SERVICING CONTROLS. WIRING ERRORS CAN
CAUSE IMPROPER AND DANGEROUS OPERATION. VERIFY PROPER OPERATION AFTER SERVICING.

Related product manuals