EasyManua.ls Logo

A.O. Smith PHPT-60 - Wiring Diagram for Models With Relay

A.O. Smith PHPT-60
48 pages
Print Icon
To Next Page IconTo Next Page
To Next Page IconTo Next Page
To Previous Page IconTo Previous Page
To Previous Page IconTo Previous Page
Loading...
19
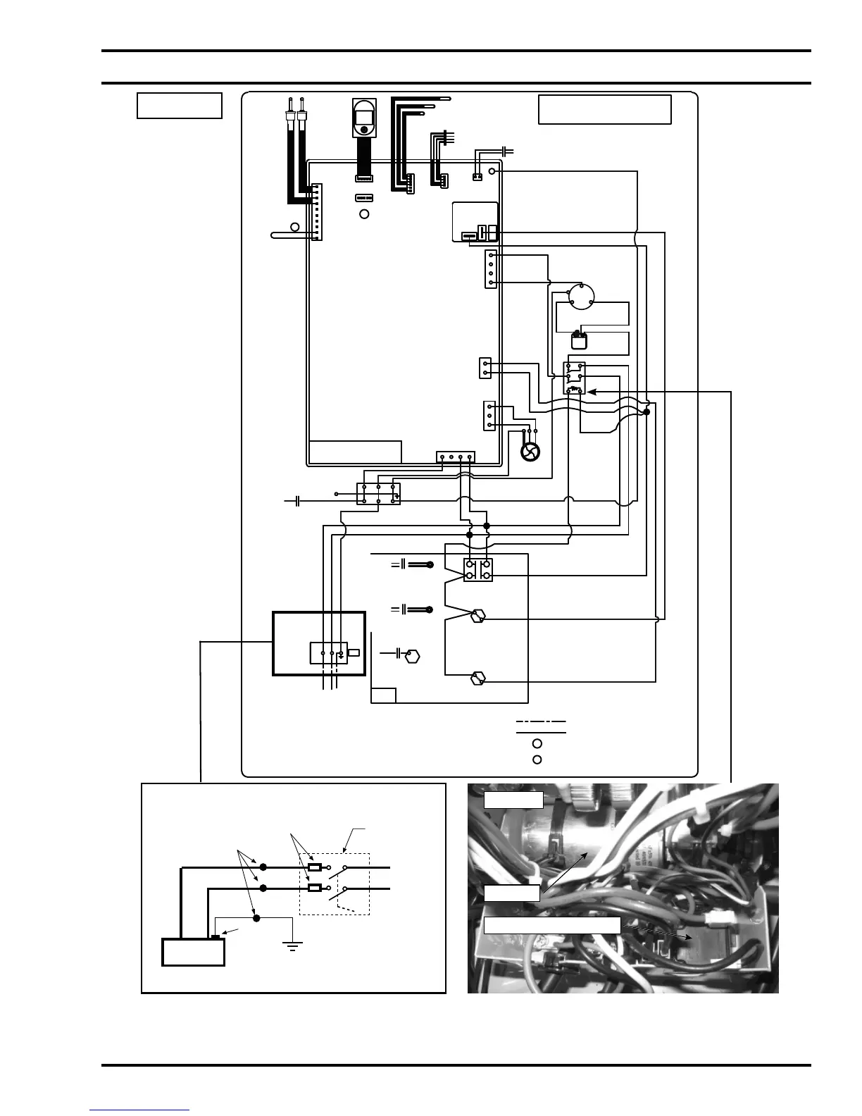
Wiring Diagram for Models With Relay
L1
L2
Red
Black
Approved Connectors
Junction Box
Overload
Protectio
To 240v
1 Phase
Power supply
Electrical
Service ground
Circui
Breaker
Ground
Wire
Green
n
t
C
R
S
G
COMPRESSOR
1
10
1
5
1
5
1
6
1
4
1
2
1
4
1
2
1
3
1
4
N.O.
COM.
CN201
CN207
CN202
CN206
RY 203
CN208
CN215
CN211
CN212
CN204
CN203
HEAT PUMP WATER
HEATER CONTROLLER
COIL TEMP. SENSOR
DISCHARGE TEMP. SENSOR
AMBIENT TEMP. SENSOR
LOW PRESSURE
SWITCH
HIGH PRESSURE
SWITCH
TANK UPPER TEMP. SENSOR
TANK LOWER TEMP. SENSOR
A-A
C-C
D-D
ANODE - POWERED
LOWER ELEMENT
2KW
1
3
4
HIGH LIMIT
SWITCH
JUNCTION
BOX
TANK
L1
L2
ANODE-POWERED
GROUNDING
STRIP
G
TANK JACKET
2
4
1
0
RELAY
6
8
CAPACITOR
BLOWER
D-D
C-C
L1
L2
G
TANK UPPER
TEMP. SENSOR
TANK LOWER
TEMP. SENSOR
B-B
A-A
B-B
OVERFLOW
SWITCH
HEAT PUMP WATER
HEATER WIRING DIAGRAM
b
a
AC 240V 60Hz 1PH.
LOWER
ELEMENT
BLOWER
POWER
LINE
UPPER
ELEMENT
OVERLOAD DETECTION
ANODE-POWERED
HP TEMP.
TANK
TEMP.
COMPRESSOR
DISPLAY
USER INTERFACE
UPPER ELEMENT
4.5 KW
NOTES
1. THE FUNCTION OF CN211 AND CN215 IS THE SAME, EITHER CN211 OR
CN215 SHOULD BE CONNECTED TO COMPUTER BY SPECIAL CONNECTOR.
2. IF ANY OF THE ORIGINAL WIRE AS SUPPLIED MUST BE REPLACED,
USE THE SAME SIZE ONLY TYPE 105°C THERMOPLASTIC OR EQUIVALENT..
3. TANK LOWER ELEMENT MUST NOT EXCEED 2KW.
GREEN
RED
RED
RED
GREEN
GREEN
GREEN
GREEN
GREEN
GREEN AND YELLOW COMBINATION
GREEN
GREEN
RED
BLACK
RED
BLACK
WHITE
BLACK
BLACK
BLACK
BLACK
BLACK
WHITE
WHITE
RED
RED
RED
BLACK
BLACK
BLACK
RED
RED
BLACK
RED
BLACK
RED
BLACK
WHITE
WHITE
BLACK
RED
FIELD INSTALLED
FACTORY INSTALLED
GR
GREEN
RED
BLUE
BLACK
WHITE
WHITE
BLUE
BROWN
RED
BLACK
BLACK
BLACK
BLACK
OPTIONAL OVERFLOW SWITCH,
NORMALLY CLOSED
RESERVED UIM CONNECTION
a
b
2
WHITE
WHITE
WHITE
Figure 10
Figure 10a
Capacitor
Compressor Control Relay
Compressor control relays were used in early production models so the compressors operating voltage did
not have to travel through the tank’s high limit switch (Figure 10a).

Related product manuals