EasyManua.ls Logo

ABB 2Line - Page 171

ABB 2Line
282 pages
Print Icon
To Next Page IconTo Next Page
To Next Page IconTo Next Page
To Previous Page IconTo Previous Page
To Previous Page IconTo Previous Page
Loading...
169 | ABB










  

  

  

 

     
     
 
 
 
 
 
  

 











  

  















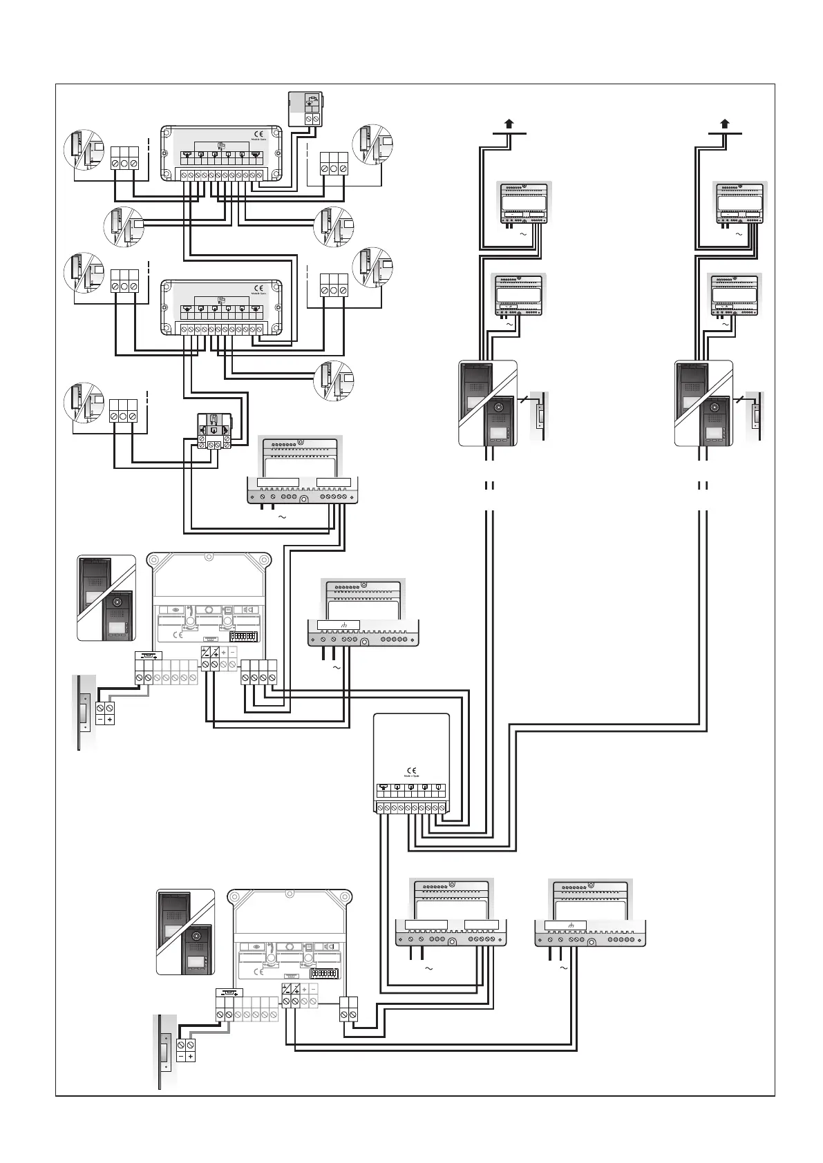
COMPOUND, 3 BUILDINGS OF 8 DWELLINGS EACH. 1 EXTERNAL POINT OF ENTRY (GATEHOUSE)























    








  









 








Table of Contents

Related product manuals