EasyManua.ls Logo

ABB ACS800-01-0075-3 - Circuit Diagram

ABB ACS800-01-0075-3
174 pages
To Next Page IconTo Next Page
To Next Page IconTo Next Page
To Previous Page IconTo Previous Page
To Previous Page IconTo Previous Page
Loading...
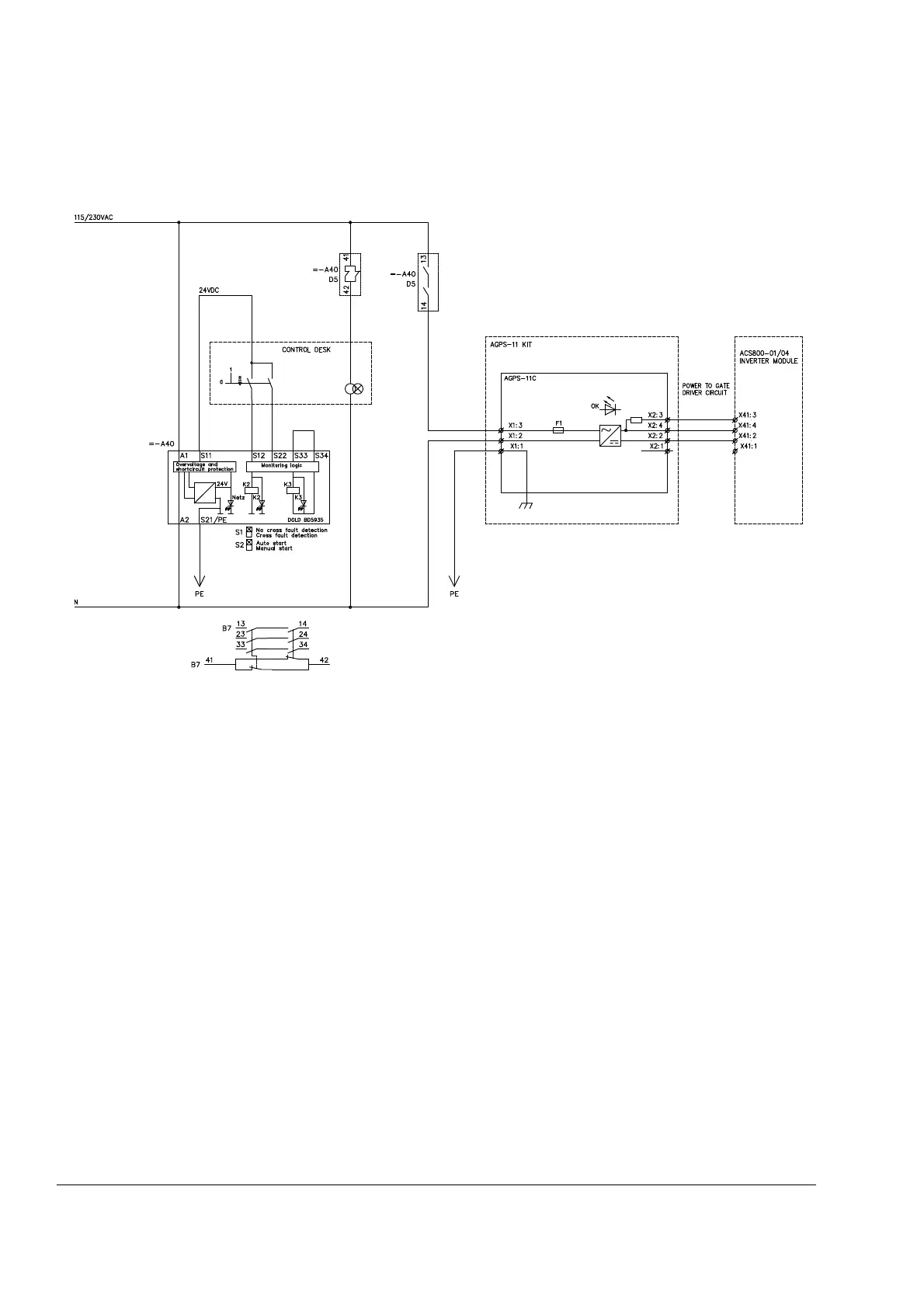
Installation of the AGPS board (Prevention of unexpected start-up, +Q950)
80
Circuit diagram
This circuit diagram shows how the AGPS-11 kit is installed.
3AFE00374994

Table of Contents

Related product manuals