EasyManua.ls Logo

ABB ACS800 Series - How to view and reset the fault history

ABB ACS800 Series
46 pages
To Next Page IconTo Next Page
To Next Page IconTo Next Page
To Previous Page IconTo Previous Page
To Previous Page IconTo Previous Page
Loading...
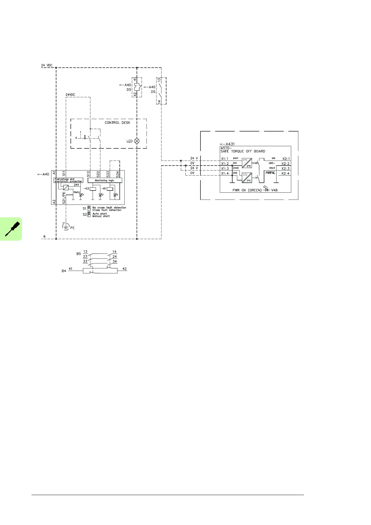
26 Installation
Frame size R7i
3AUA0000071142
INVERTER MODULE R7i

Table of Contents

Other manuals for ABB ACS800 Series

Related product manuals