EasyManua.ls Logo

ABB ACS880-104

ABB ACS880-104
16 pages
To Next Page IconTo Next Page
To Next Page IconTo Next Page
To Previous Page IconTo Previous Page
To Previous Page IconTo Previous Page
Loading...
12 Reforming the capacitors
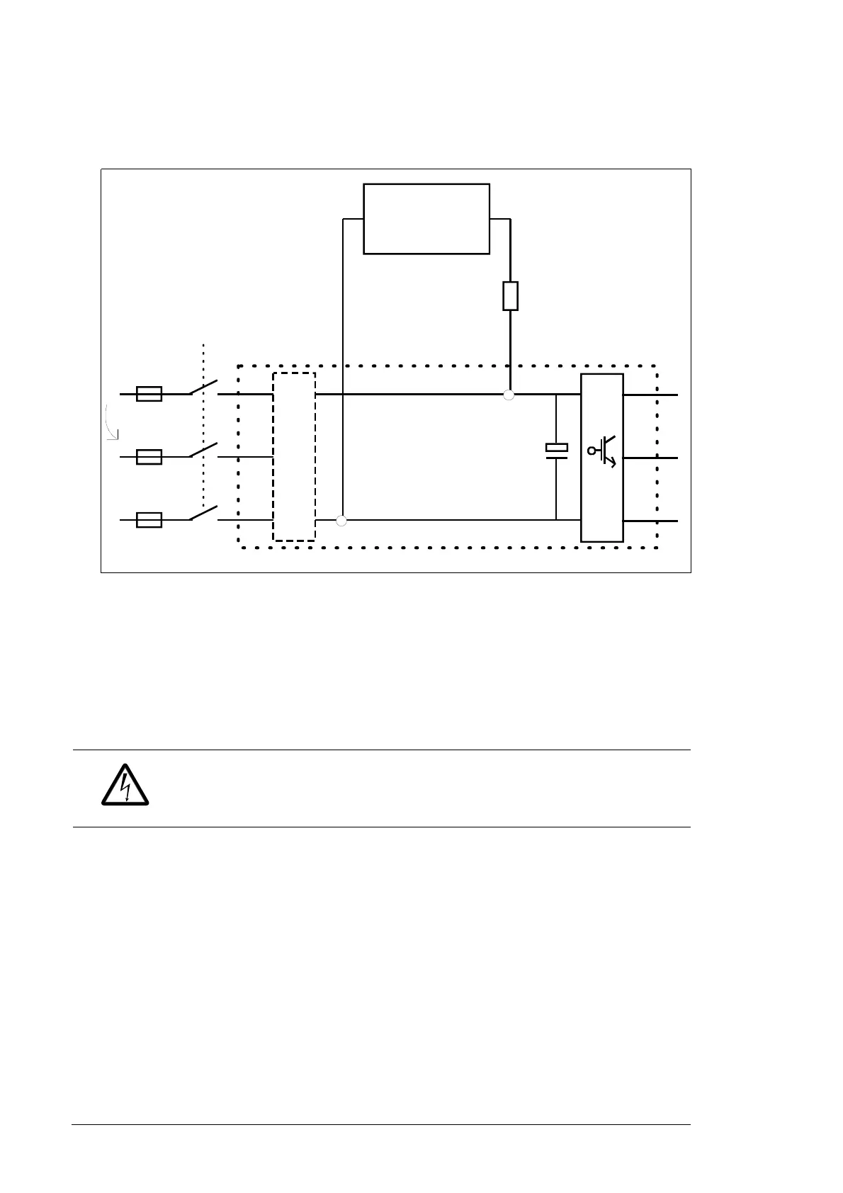
3. Make this reforming circuit and connect it to the DC terminals of the converter module.
An external resistor is not needed if the DC power supply has an adjustable current
limiter.
4. Switch on the reforming circuit for the time defined in section Reforming time on page
9.
Note: Limit the reforming current to max. 500 mA. If the DC power supply does not
have an adjustable current limiter, increase the voltage gradually from 0 to the full
scale value. Regulated DC power with active current limiting:
Output current: 0.5…1 A DC, max. 500 mA during reforming
Output voltage: adjustable 0…1000 V DC. An appropriate voltage during
reforming is 1.35…1.45·U
x
. U
x
denotes the nominal AC voltage of the converter.
WARNING! The capacitors can get damaged if you use excessive DC voltage
during the reforming.
5. Switch off the reforming circuit.
6. Wait for 5 minutes (10 minutes for wind turbine converters) to let the converter DC
capacitors discharge.
7. Measure that the voltage of the DC terminals of the converter is close to 0 V.
8. Disconnect the reforming circuit from the converter.
U2
V2
W2W1
V1
U1
Disconnect
DC Power supply
0.5 A ... 1 A 1000 VDC
FREQUENCY
CONVERTER
UDC- UDC+
R
U
x
SUPPLY
UNIT
INVERTER
UNIT
= 100 Ohm / 500 W
DC power supply
0.5 A...1 A 1000 V DC
SUPPLY
INVERTER
DRIVE MODULE
U
x

Other manuals for ABB ACS880-104

Related product manuals