EasyManua.ls Logo

ABB ACS880-104

ABB ACS880-104
16 pages
To Next Page IconTo Next Page
To Next Page IconTo Next Page
To Previous Page IconTo Previous Page
To Previous Page IconTo Previous Page
Loading...
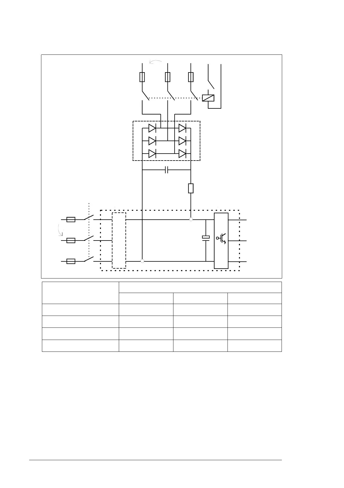
14 Reforming the capacitors
3. Make this reforming circuit and connect it to the DC terminals of the converter module.
4. Switch on the AC power supply of the reforming circuit for the time defined in section
Reforming time on page 9.
5. Switch off and disconnect the AC power supply of the reforming circuit.
6. Wait for 5 minutes (10 minutes for wind turbine converters) to let the converter DC
capacitors discharge.
7. Measure that the voltage of the DC terminals of the converter is close to 0 V.
8. Disconnect the reforming circuit from the converter.
Voltage Recommended components
ARC
200 V < U
×
< 240 V SKD 82/16 220 Ohm / 700 W 22 nF / 2000 V
380 V < U
×
< 415 V SKD 82/16 220 Ohm / 700 W 22 nF / 2000 V
380 V < U
×
< 500 V SKD 82/16 470 Ohm / 1200 W 22 nF / 2000 V
525 V < U
×
< 690 V SKD 82/16 680 Ohm / 1700 W 22 nF / 2000 V
R
C
A
U2
V2
W2W1
V1
U1
Disconnect
FREQUENCY
CONVERTER
UDC- UDC+
U
x
U
x
SUPPLY
UNIT
INVERTER
UNIT
DRIVE MODULE
INVERTER
SUPPLY
U
x
U
x

Other manuals for ABB ACS880-104

Related product manuals