EasyManua.ls Logo

ABB BSR10 - Page 40

ABB BSR10
58 pages
Print Icon
To Next Page IconTo Next Page
To Next Page IconTo Next Page
To Previous Page IconTo Previous Page
To Previous Page IconTo Previous Page
Loading...
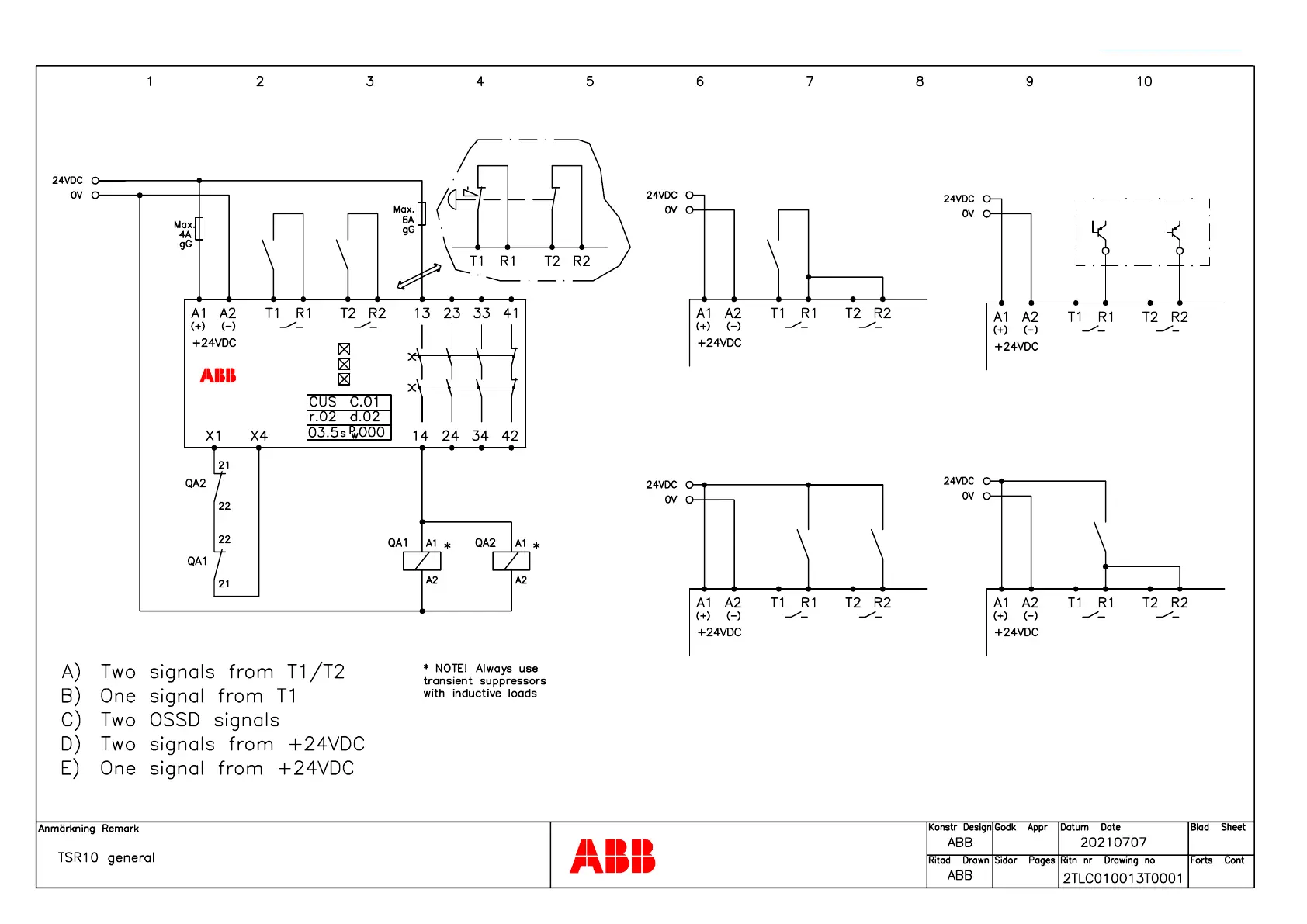
CONNECTION DIAGRAMS SENTRY
40 Back to table of contents
CH1
MODE
CH2
Jokab Safety
TSR10SENTRY
CH1 CH2
OSSD 1 OSSD 2
A)
B) C)
D) E)
CH1 CH2
CH1 CH2
CH1 CH2 CH1 CH2
Note: It is the responsibility of the machine builder to make a risk assessment and make sure that the appropriate functional safety levels are achieved.
Safety Products

Related product manuals