EasyManua.ls Logo

ABB DCS550-S01 - Page 98

ABB DCS550-S01
108 pages
Print Icon
To Next Page IconTo Next Page
To Next Page IconTo Next Page
To Previous Page IconTo Previous Page
To Previous Page IconTo Previous Page
Loading...
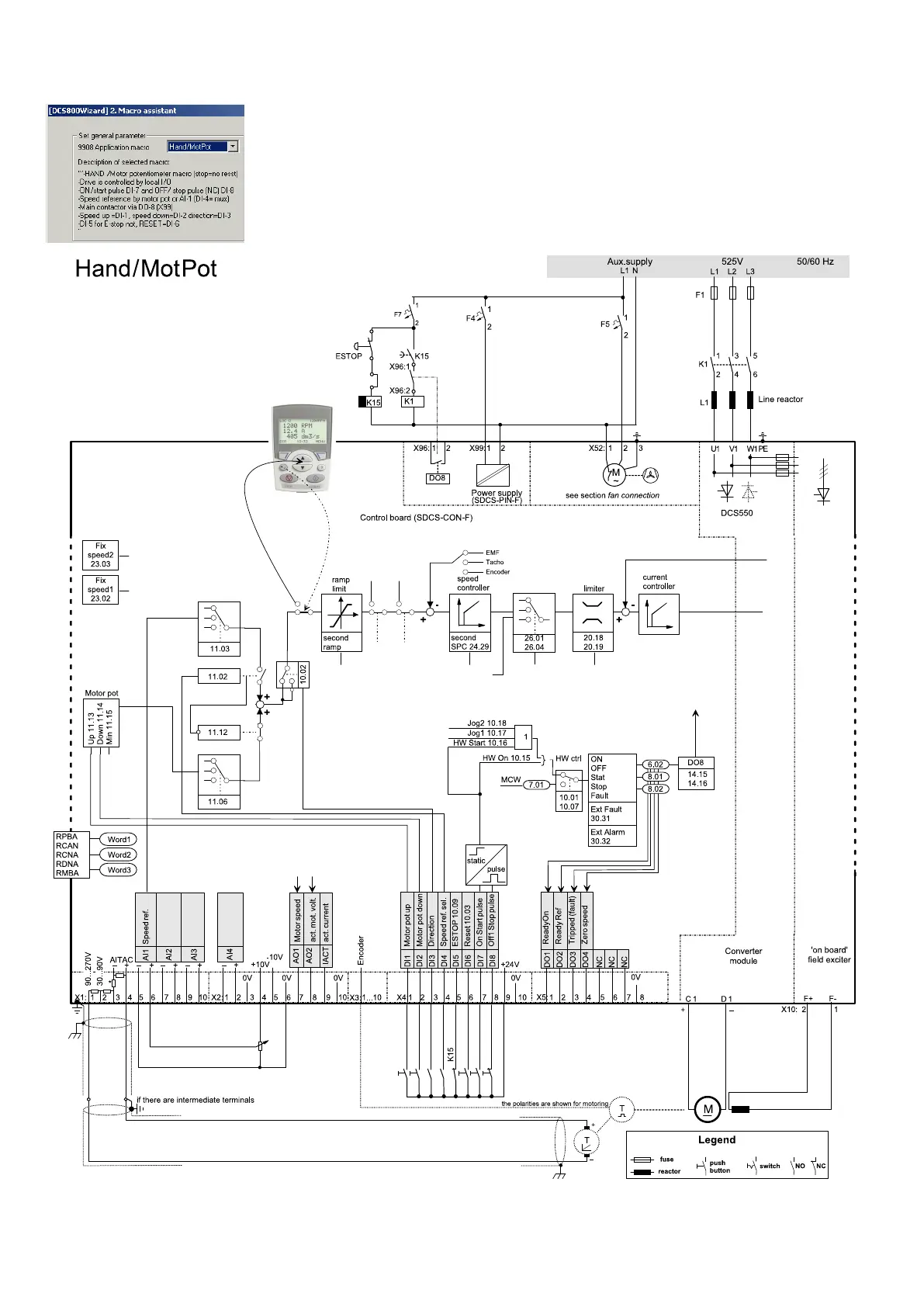
98 3ADW000395R0100 DCS550 Quick guide edisf a98 3ADW000395R0100 DCS550 Quick guide edisf a
DCS550_macros_b.dsf
α

Table of Contents

Related product manuals