EasyManua.ls Logo

ABB DCS550-S01 - Exemple de Schéma de Câblage

ABB DCS550-S01
108 pages
Print Icon
To Next Page IconTo Next Page
To Next Page IconTo Next Page
To Previous Page IconTo Previous Page
To Previous Page IconTo Previous Page
Loading...
69
3ADW000395R0100 DCS550 Quick guide edisf a
693ADW000395R0100 DCS550 Quick guide edisf a
français
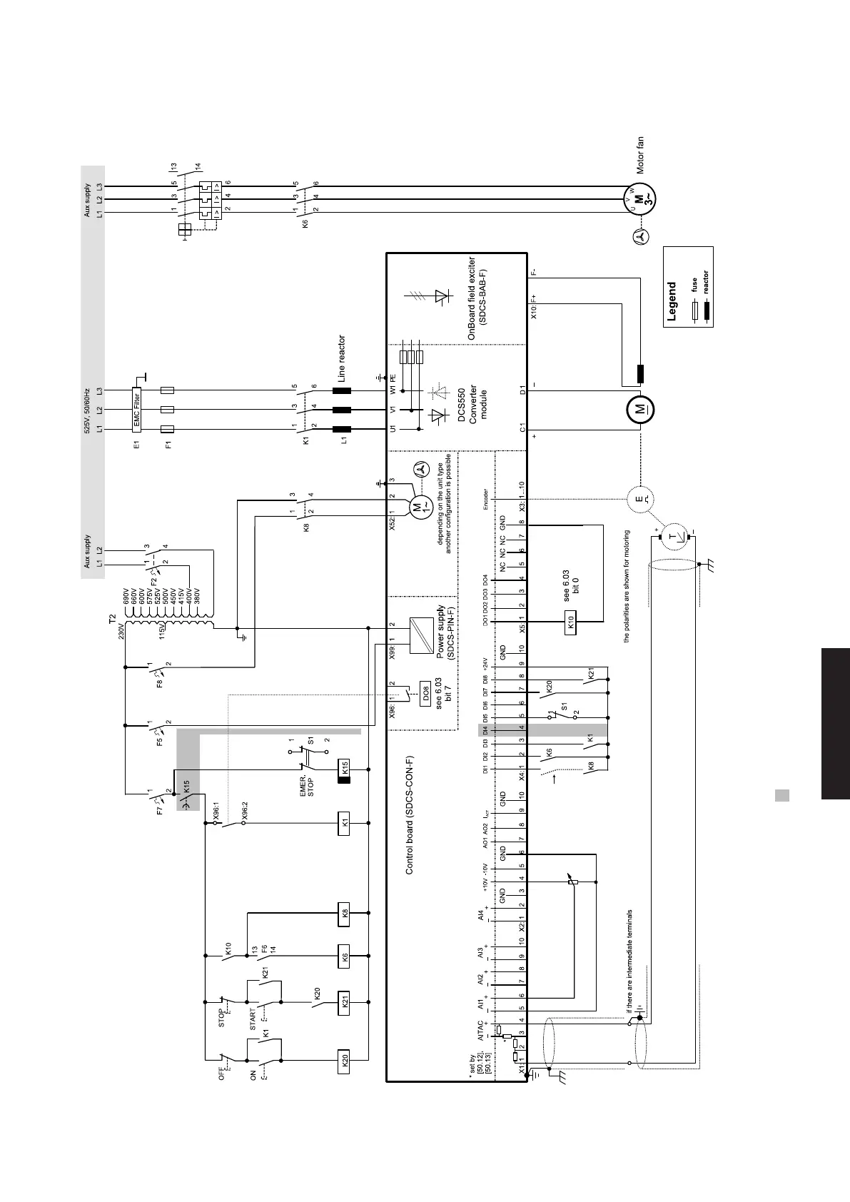
Configuration dun variateur de taille F1 à F4 avec excitation inge
Préglage des paratres du macroprogramme USINE
F6
DCS550_ans_1_c.dsf
Pour des détails, cf. page suivante
Exemple de schéma de câblage

Table of Contents

Related product manuals