EasyManua.ls Logo

ABB Emax E3 - Auxiliary Circuits & Measuring Module Diagrams

ABB Emax E3
74 pages
Print Icon
To Next Page IconTo Next Page
To Next Page IconTo Next Page
To Previous Page IconTo Previous Page
To Previous Page IconTo Previous Page
Loading...
L6555
Emax
70/74
Doc. no.
Model
Apparatus
Scale
Page No
1SDH000460R0002
W2 (LOCAL BUS) W2 (LOCAL BUS)
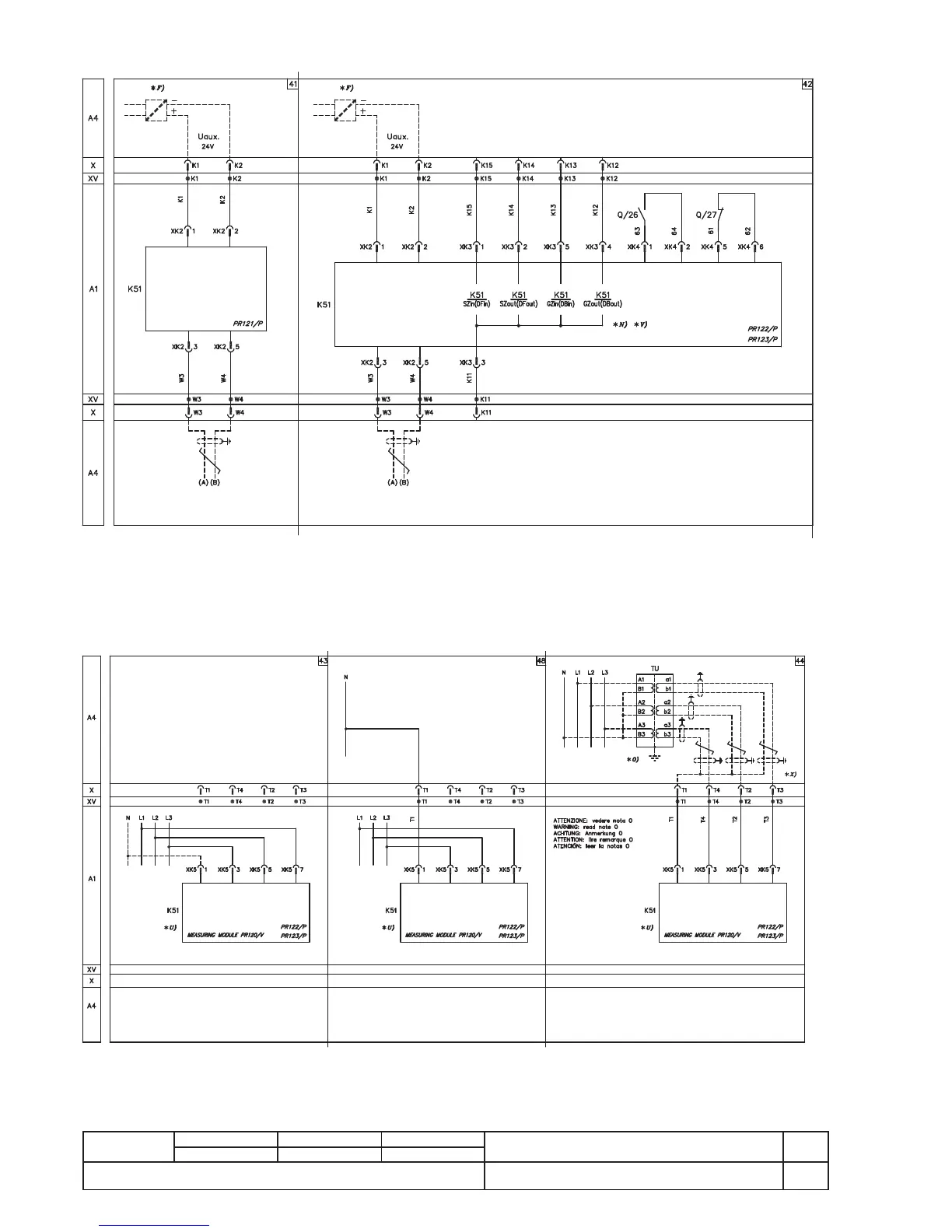
Auxiliary circuits of the PR121, PR122 and PR123 releases
PR120/V measuring module
Warning: see note F

Table of Contents

Related product manuals