EasyManua.ls Logo

ABB Emax E3 - Page 72

ABB Emax E3
74 pages
Print Icon
To Next Page IconTo Next Page
To Next Page IconTo Next Page
To Previous Page IconTo Previous Page
To Previous Page IconTo Previous Page
Loading...
L6555
Emax
72/74
Doc. no.
Model
Apparatus
Scale
Page No
1SDH000460R0002
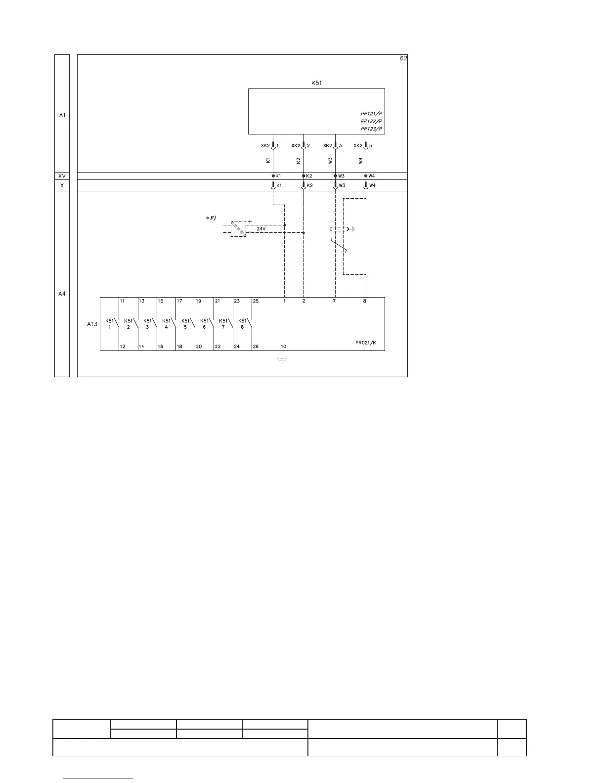
PR021/K signalling unit

Table of Contents

Related product manuals