EasyManua.ls Logo

ABB Emax E6 - Page 67

ABB Emax E6
74 pages
Print Icon
To Next Page IconTo Next Page
To Next Page IconTo Next Page
To Previous Page IconTo Previous Page
To Previous Page IconTo Previous Page
Loading...
L6555
Emax
67/74
Doc. No
Model
Apparatus
Scale
Page No
1SDH000460R0002
Terminal not
connected
Terminal not
connected
Z)
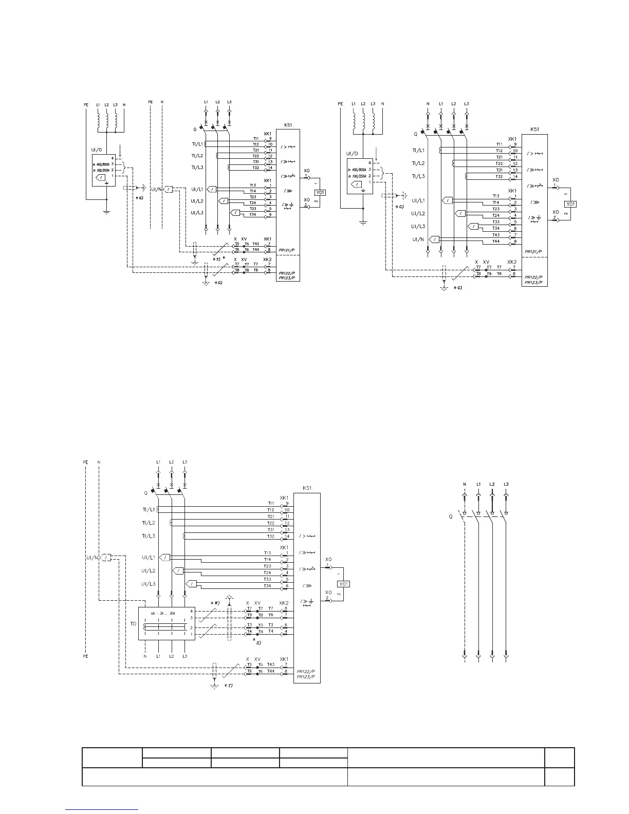
Four-pole circuit-breaker with PR121/P, PR122/P or PR123/P
electronic release
Circuit diagram - Operating status
Three-pole circuit-breaker with PR121/P, PR122/P or PR123/P
electronic release
Three-or four-pole switch-disconnectorThree-pole circuit-breaker with PR122/P or PR123/P electronic
release, residual current protection and U<=690V.

Table of Contents

Related product manuals