EasyManua.ls Logo

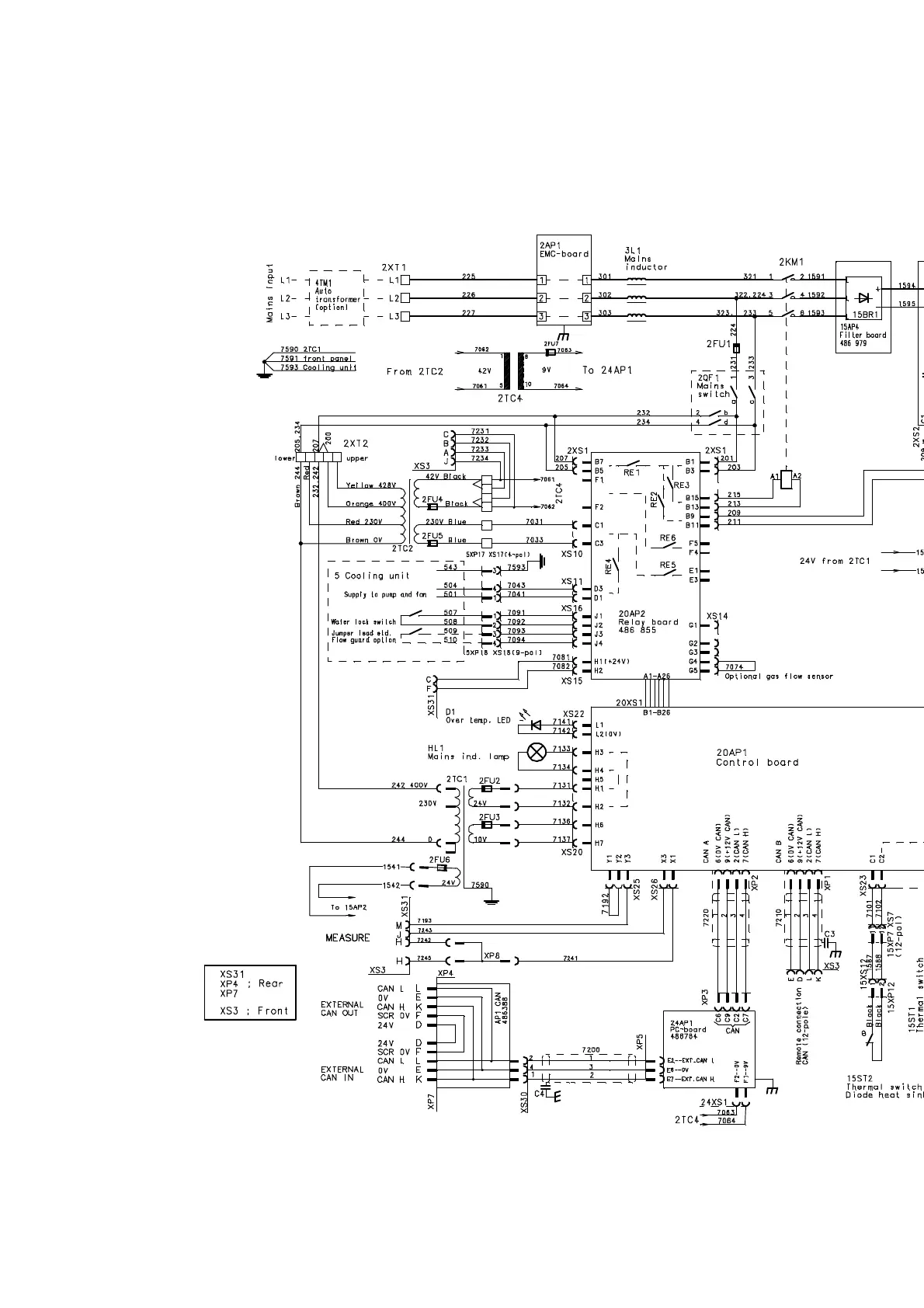
ABB MigRob 500 - Diagram

ABB MigRob 500
20 pages
Print Icon
To Next Page IconTo Next Page
To Next Page IconTo Next Page
To Previous Page IconTo Previous Page
To Previous Page IconTo Previous Page
Loading...
Edition 060529
Diagram
-- 1 6 --
ba39e