EasyManua.ls Logo

ABB REL 302 - Page 39

ABB REL 302
42 pages
Print Icon
To Next Page IconTo Next Page
To Next Page IconTo Next Page
To Previous Page IconTo Previous Page
To Previous Page IconTo Previous Page
Loading...
I.L. 40-386.12
2-26
2
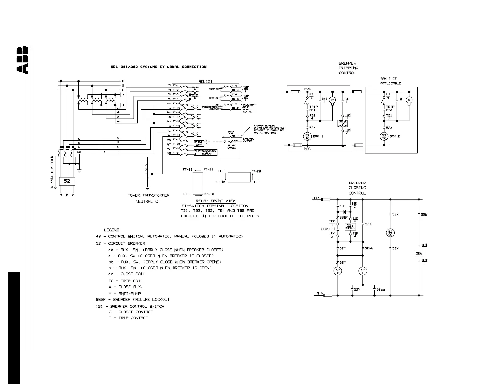
Figure 2-2 REL 301/302 Systems External Connection
*Sub 1
1618C74
Sheet 1 of 2

Related product manuals