EasyManua.ls Logo

ABB REL650 - Preparation of the Verification

ABB REL650
208 pages
Print Icon
To Next Page IconTo Next Page
To Next Page IconTo Next Page
To Previous Page IconTo Previous Page
To Previous Page IconTo Previous Page
Loading...
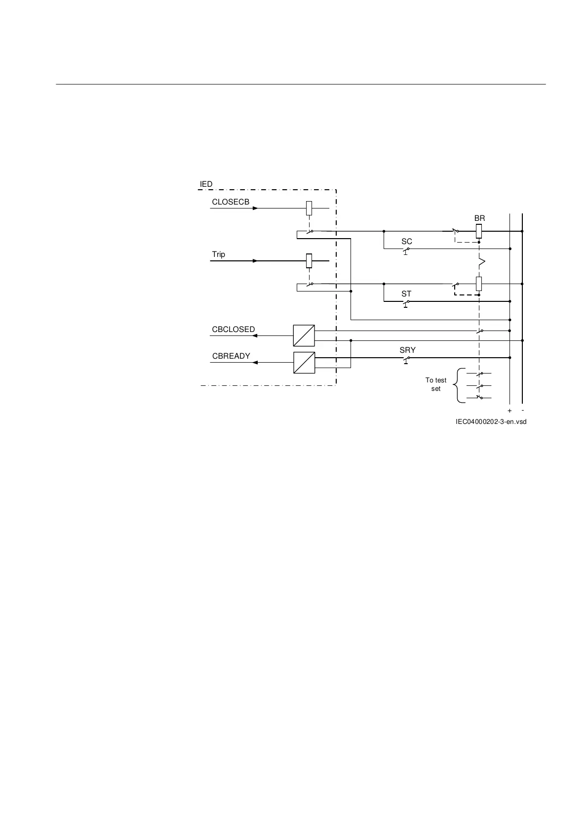
A bi-stable relay (BR) or two auxiliary relays to simulate a CB
Two push-buttons (SC, ST) to operate the BR and a change-over switch (SRY)
to simulate CBREADY
Possibly a switch simulation the synchronizing check SESRSYN condition
IED
CLOSECB
Trip
CBCLOSED
CBREADY
BR
SC
ST
SRY
To test
set
+ -
IEC04000202-3-en.vsd
IEC04000202 V3 EN-US
Figure 23: Simulating the CB operation by a bi-stable relay/breaker simulator
and manual switches
9.8.2.1 Preparation of the verification
M12400-40 v8
1. Check the function settings on the local HMI under Main menu/
Settings/IED Settings/Control/Autorecloser79,5(0–>1)/
SMBRREC:x(79,5(0–>)):x
If any timer settings are reduced to speed up or facilitate the testing, they shall
be set to normal after testing. A temporary label on the IED can be a reminder
to restore normal settings after which a verification test should be performed.
2. Decide if a synchrocheck function SESRSYN shall be included in the test.
If SESRSYN as an internal function or external device is not operated by the
injection, input signal SYNC must be connected as a permanent high signal or
controlled by a switch.
3. Read and make notes of the reclosing operation counters on the local HMI
under Main menu/Test/Function status/Control/AutoRecloser79,5(0–>1)/
SMBRREC(79,5(0–>1)):x
1MRK 506 383-UEN A Section 9
Testing functionality by secondary injection
Line distance protection REL650 2.2 IEC 143
Commissioning manual

Table of Contents

Other manuals for ABB REL650

Related product manuals