EasyManua.ls Logo

ABB RHDE250 - Page 20

ABB RHDE250
48 pages
Print Icon
To Next Page IconTo Next Page
To Next Page IconTo Next Page
To Previous Page IconTo Previous Page
To Previous Page IconTo Previous Page
Loading...
Installation
20 RHDE250 ... 4000 (Contrac) 42/68-167-EN
4
1
2
3
M00112
10.43
1.97
0.63
0.20
0.83
1.97
0.002
45
0.0006
5.91
1.57
4.72
0.31
1.31
0.079
2.36
1.18
0.001
0.000
7.87
1.57
Ø
0.71
1.18
2.91
0.71
0.91
3.94 ... 4.72
L- 8.66
L
0.71
3.94 ... 4.72
0.91
3.90
0.75
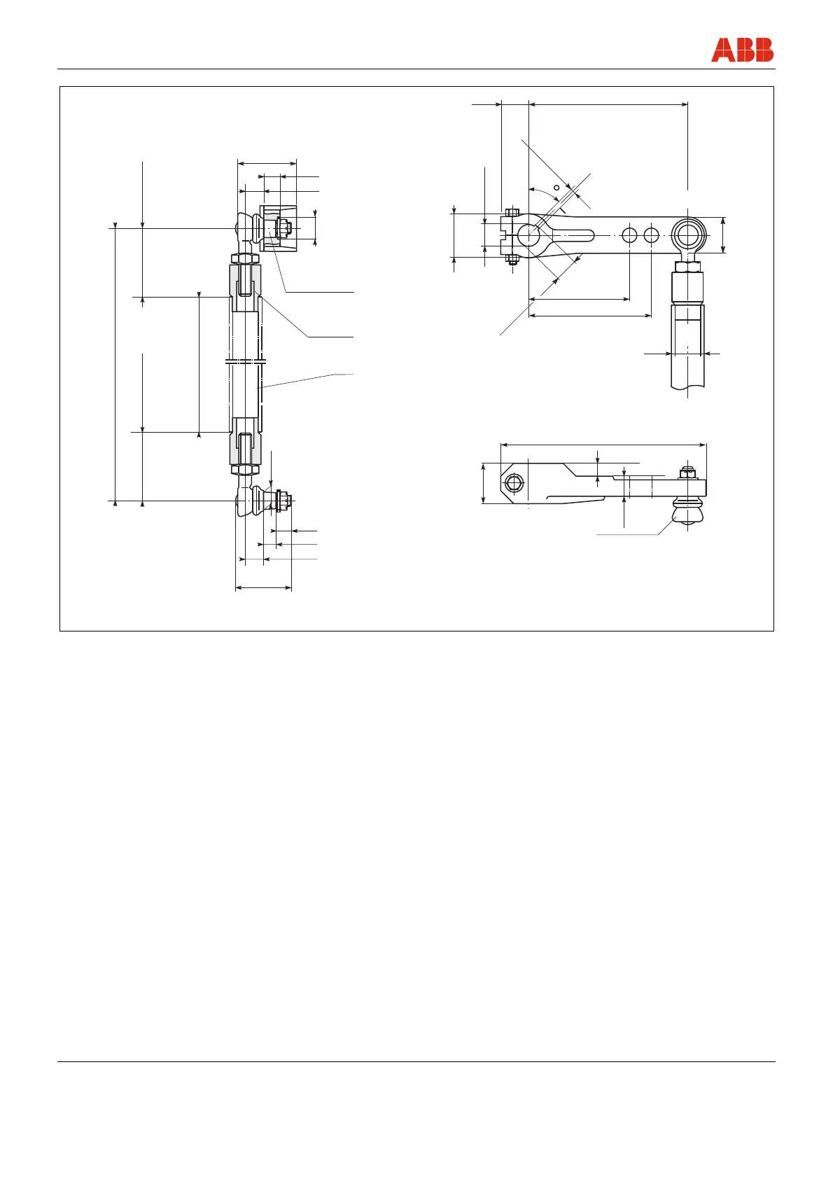
Fig. 7: Dimensions in Inch
1 Cone 1 : 10
2 welding bushings are part of shipment
3 Connection pipe 1 1/4” DIN 2440 resp. 1 1/4” schedule 80 pipe
size “L” acc. to requirements. The pipe is not included in
shipment.
4 Angular deflection of ball and socket joint:
Pointing towards the actuator: max. 3°
Pointing away from the actuator: max. 10°
Pos: 11.29 /==== === Seitenumbruch ======= = @ 0\mod_1126532365768_3101.d oc @ 3830

Table of Contents

Other manuals for ABB RHDE250

Related product manuals