EasyManua.ls Logo

ABB SPAU 130 C - Examples of Applications

ABB SPAU 130 C
52 pages
To Next Page IconTo Next Page
To Next Page IconTo Next Page
To Previous Page IconTo Previous Page
To Previous Page IconTo Previous Page
Loading...
10
SERIAL
PORT
SGR/1
U2
U3
U3
1111
DCBA
+-
Uaux
E
+
-
(~)
(~)
L1
L2
L3
A
N
da
dn
SGR
100V
110V
19 20 21 10 11 61 62 70 71 72 77 78 80 81 68 69
75324 68
SPAU 130 C
_
SPA-ZC_
Rx Tx
START1 SIGNAL1 TRIP2 TRIP1IRF
100V
110V
16 1718
100V
110V
1314 15
IRF
3U<
TS2
TS1
SGB/5
SS1
SS2
U1
I/O
t<
t>,k>
3U>
BS
-
0
I
0
I
-
-
+
+
+
+
65 66
0
I
0
I
-
-
+
+
+
Examples of
application
Example 1.
Network overvoltage
and undervoltage
supervision
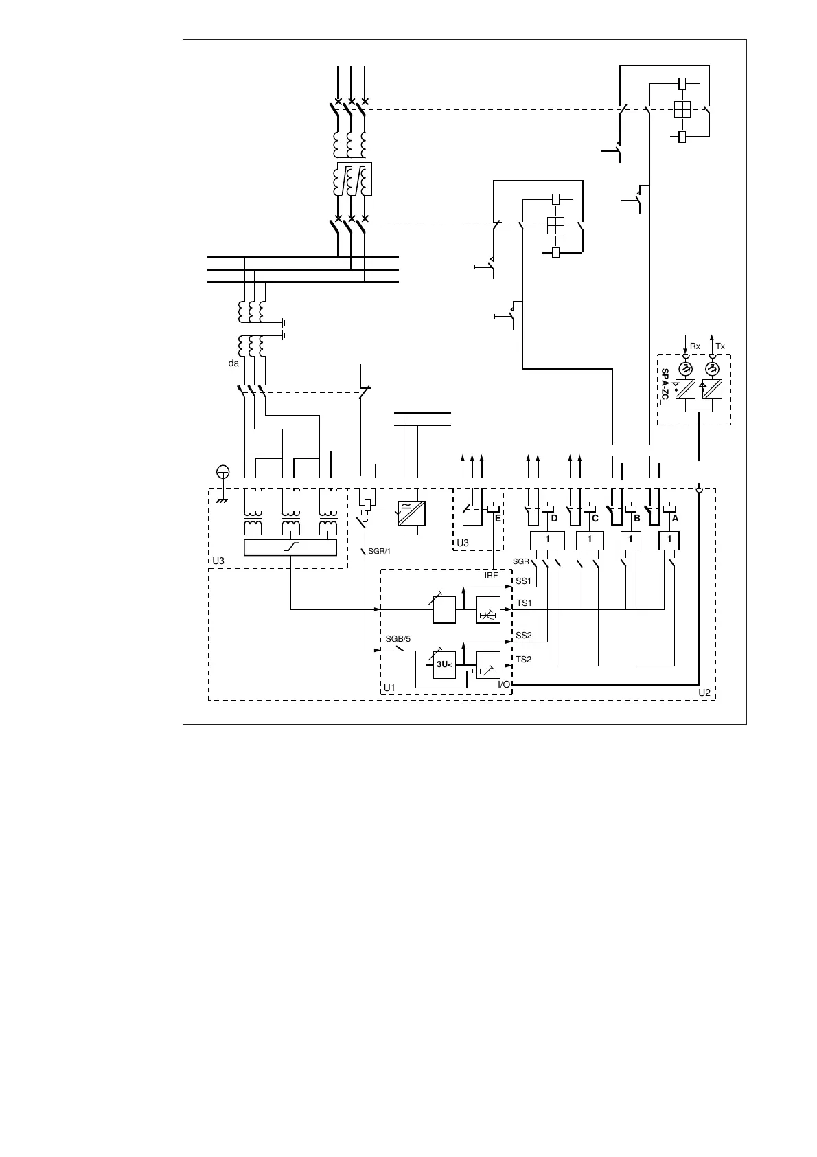
Fig. 4. Substation overvoltage and undervoltage protection with voltage relay SPAU 130 C. The
selector switch positions are shown in the table on the following page.
The overvoltage and undervoltage relay module
SPCU 3C14 measures the phase-to-phase
voltages.
Many components of the power system are
sensitive to overvoltage. Inverse time character-
istic of the overvoltage relay is recommended as
the liability to damage of the power system
components often is a function of the duration
of the overvoltage. At inverse time characteristic
the relay provides an alarm signal at when the set
start voltage has been exceeded. If the voltage
exceeds 1.06 times the set start voltage the relay
operates, the faster the greater the voltage is.
Thus the overvoltage stage provides an alarm
signal when the overvoltage arises and trips the
circuit breaker, if the voltage continues to rise.
When the characteristic curve A is selected the
alarm level can be set low enough and still the
voltage regulator is granted time enough to
operate even during severe voltage fluctuations.
The undervoltage stage also trips the circuit
breaker. An unwanted operation of the under-
voltage stage during an autoreclose cycle can be
inhibited with switch SG1/6. If switch SG1/6 = 1
the operation of the undervoltage stage is inhib-
ited, when the voltage falls below 20% x U
n
.

Related product manuals