EasyManua.ls Logo

ABB TPU - Page 31

ABB TPU
60 pages
Print Icon
To Next Page IconTo Next Page
To Next Page IconTo Next Page
To Previous Page IconTo Previous Page
To Previous Page IconTo Previous Page
Loading...
31
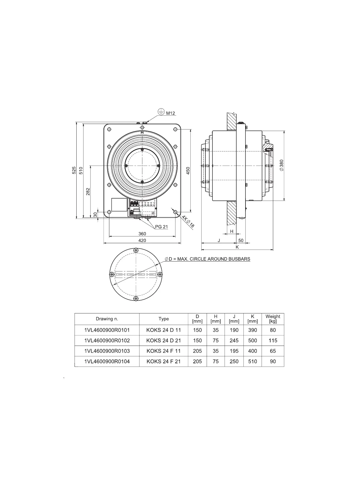
KOKS 24
Dimensional Drawing
KOKS 24

Related product manuals